Краны шаровые муфтовые 1 1: все, что нужно знать о выборе и эксплуатации
- Краны шаровые муфтовые 1 1: все, что нужно знать о выборе и эксплуатации
- Связанные вопросы и ответы
- Что такое краны шаровые муфтовые 1 1
- Какие материалы используются для изготовления краны шаровые муфтовые 1 1
- Какие типы краны шаровые муфтовые 1 1 существуют
- Какие преимущества имеют краны шаровые муфтовые 1 1
- Какие недостатки имеют краны шаровые муфтовые 1 1
- Как выбрать подходящий кран шаровый муфт 1 1
- Как правильно установить кран шаровый муфт 1 1
Краны шаровые муфтовые 1 1: все, что нужно знать о выборе и эксплуатации
По типу присоединения шаровые краны различают на:
- муфтовые;
- фланцевые;
- штуцерные;
- приварные.
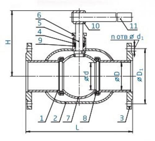
Кран шаровой муфтовый
Имеет внутреннее резьбовое присоединение. Благодаря этому резьбовому соединению муфтовый кран имеет меньшую строительную длину и массу.

Схема крана шарового муфтового
Преимущество крана в том, что для надежного соединения не нужны дополнительные крепежные элементы. Также он незаменим на тех участках трубопровода, где недостаточно места для работы гаечным ключом.
Кран шаровой фланцевый
Присоединяется к фланцам. Присоединение обеспечивается за счет двух фланцев, уплотнительного кольца, соединительных болтов и гаек.

Схема крана шарового фланцевого
Краны легко монтируются и обслуживаются, их можно многократно монтировать и демонтировать, при этом фланцевые краны имеют большие размеры и вес. Используются, как правило, на трубопроводах, где требуется частый монтаж и демонтаж кранов.
Кран шаровой штуцерный
Это кран с наружной резьбой, к которому присоединяется нипель с накидной гайкой. Конструкция обеспечивает небольшие размеры и вес изделия, при этом такой кран прост в обслуживании и монтаже.

Схема крана шарового штуцерного
Легко монтируются и обслуживаются, их можно многократно монтировать и демонтировать. В отличие от фланцевых кранов занимает меньше места и может устанавливаться в труднодоступных местах.
Кран шаровой приварной
Имеет концы под приварку. Такие краны имеют небольшой вес, герметично крепятся к трубе, однако сложно обслуживаются: их демонтаж и замена довольно трудоемки.

Схема крана шарового приварного
Предназначены для высокого давления рабочей среды, поэтому обладают высокой герметичностью перекрытия и прочностью соединения.
Связанные вопросы и ответы:
Вопрос 1: Что такое краны шаровые муфтовые 1 1
Ответ: Краны шаровые муфтовые 1 1 - это тип кранов, которые используются для перемещения и перегрузки различных грузов. Они состоят из двух основных компонентов: шаровой муфты и кранового механизма. Шаровая муфта позволяет крану свободно вращаться вокруг своей оси, а крановый механизм обеспечивает перемещение груза в вертикальной плоскости.
Вопрос 2: Какие преимущества имеют краны шаровые муфтовые 1 1
Ответ: Краны шаровые муфтовые 1 1 имеют ряд преимуществ. Во-первых, они обеспечивают высокую степень свободы вращения, что позволяет им работать в различных условиях и на различных типах грузов. Во-вторых, они обладают высокой надёжностью и долговечностью, что делает их подходящими для использования в тяжёлых условиях. В-третьих, они имеют простую конструкцию, что делает их легко поддающимися обслуживанию и ремонту.
Вопрос 3: Какие типы грузов могут быть перемещены с помощью кранов шаровых муфтовых 1 1
Ответ: Краны шаровые муфтовые 1 1 могут быть использованы для перемещения различных типов грузов. Они могут быть использованы для перемещения тяжёлых грузов, таких как строительные материалы, машины, оборудование и т.д. Они также могут быть использованы для перемещения легких грузов, таких как мебель, упаковка и т.д.
Вопрос 4: Как выбрать подходящий кран шаровый муфтовый 1 1 для своей задачи
Ответ: Выбор подходящего крана шаровой муфтовой 1 1 зависит от конкретной задачи, которую вы хотите решить. Вам необходимо определиться с типом груза, который будет перемещаться, его весом и размерами. Также важно учитывать условия работы крана, такие как температура, влажность и т.д. После определения этих параметров, вы можете выбрать подходящий кран шаровой муфтовой 1 1.
Вопрос 5: Как обеспечить безопасность при работе с кранами шаровыми муфтовыми 1 1
Ответ: Работа с кранами шаровыми муфтовыми 1 1 может быть опасной, поэтому важно соблюдать меры безопасности. Важно обеспечить правильную подготовку и тренировку персонала, который будет работать с краном. Также важно проводить регулярный контроль и обслуживание крана, чтобы устранить возможные неисправности и несчастные случаи. Кроме того, важно использовать подходящие средства индивидуальной защиты, такие как шлемы, ремни безопасности и т.д.
Вопрос 6: Как обеспечить долговечность кранов шаровых муфтовых 1 1
Ответ: Для обеспечения долговечности кранов шаровых муфтовых 1 1 важно проводить регулярный контроль и обслуживание. Это включает в себя проверку всех механизмов и компонентов крана, а также их чистку и смазку. Также важно использовать подходящие материалы и компоненты для крана, чтобы обеспечить его долговечность.
Вопрос 7: Как избежать поломок кранов шаровых муфтовых 1 1
Ответ: Чтобы избежать поломок кранов шаровых муфтовых 1 1, важно проводить регулярный контроль и обслуживание. Это включает в себя проверку всех механизмов и компонентов крана, а также их чистку и смазку. Важно также использовать подходящие материалы и компоненты для крана, чтобы обеспечить его долговечность. Кроме того, важно соблюдать меры безопасности и правильно обучать персонал, который будет работать с краном.
Что такое краны шаровые муфтовые 1 1
11Б27п1 - наиболее распространенная модель шарового крана. Применяется в качестве запорной арматуры для полного перекрытия потока рабочей среды. Кран 11б27п1 можно встретить в каждой квартире, любом сантехническом помещении на предприятии. Широта применения объясняется оптимальным соотношением цены и эксплуатационных характеристик. Шаровой кран 11б27п1 полностью справляется с задачей в системах холодного и горячего водоснабжения. Кран называется шаровым благодаря форме запорного элемента, выполненного в виде сферы. Внутри шара проделано проходное отверстие. В отрытом положении проходные отверстия в шаре и патрубках корпуса совпадают и среда может свободно проходить. Для закрытия достаточно повернуть рукоятку на 90о. Шар также изменит свое положении, проходное отверстие внутри него будет перпендикулярно оси трубопровода, а стенка шара перекроет проход для среды. Кран шаровый 11Б27п1 обеспечивает герметичность по первому классу. Шар изделия изготавливается из коррозионностойкой стали.
Кран муфтовый 11Б27п1 представляет собой латунный корпус внутри которого установлен шар. Шар покоится на фторопластовых кольцах. При такой конструкции уплотнительными поверхностями будут являться поверхность шара и фторопластовые кольца. Сопряжение уплотнительных поверхностей должно обеспечивать два важнейших качества: герметичность в затворе и свободное скольжение шара по фторопластовому уплотнению при открытии или закрытии крана. Кран шаровый муфтовый 11Б27п1 применяется на давление до 1,6 МПа (16 кгс/см2) и температуру рабочей среды до 200оС. Для установки на трубопровод применяется резьбовое присоединение - муфтовое (внутренняя резьба) или цапковое (наружная). Также есть вариант комбинирования, когда с одной стороны муфтовое, а с другой цапковое присоединение. Управление краном осуществляется в ручном режиме с помощью рукоятки или бабочки. Краны 11Б27п1 выпускаются диаметрами условного прохода от 15 до 100 мм. К преимуществам крана шарового латунного 11Б27п1 можно отнести малый вес, надежную и простую конструкцию, минимальное время для открытия-закрытия, установку в любом удобном для использовании положении. Запрещается использовать кран шаровый стальной 11Б27п1 в качестве регулирующей арматуры. Рабочие положения рукоятки предусматривают два положения - полностью открыто либо полностью закрытом. Промежуточные положения приведут к скорому износу уплотнительных поверхностей крана и его поломке.
Какие материалы используются для изготовления краны шаровые муфтовые 1 1
По способу присоединения к трубопроводу шаровые краны подразделяются на муфтовые, приварные и фланцевые.
Муфтовые
В конструкции таких шаровых кранов присутствует муфта, имеющая внутреннюю трубную цилиндрическую резьбу по ГОСТ 6357-81. При помощи этой муфты арматура и подсоединяется к трубопроводу. Отличительной особенностью кранов данного вида является коническая внутренняя резьба. Если Вы планируете купить шаровые краны на заказ, резьбу могут сделать метрической. Изготовление арматуры ведется согласно установленным стандартам, но при условии производства только одной партии можно отойти от требований ГОСТ.
Приварные
Такие краны присоединяются к трубопроводу с помощью сварки, что обеспечивает полную герметичность соединения, повышая его надежность. Обычно используются для систем с жидкой и газообразной рабочей средой. Главной особенностью такой арматуры является минимум требований к ее обслуживанию: не требуется подтяжка магистральных соединений фланцев. Основной минус – сложность демонтажа. Например, муфтовый кран достаточно просто откручивается, а приварной кран при необходимости заменяется только одновременно со всей арматурой.
Фланцевые
Присоединение такого крана к емкости или трубопроводу с жидкой или газообразной средой обеспечивается за счет фланцев. Арматура данного вида может использоваться многократно, поэтому является оптимальным вариантом, если требуется ее демонтаж и затем повторная установка. Благодаря такому способу присоединения обеспечивается прекрасная герметизация стыков. Качество затяжки необходимо периодически проверять, в противном случае кран может дать течь. При необходимости фланцы можно подтянуть. Главная особенность таких кранов – большие габариты и масса.
Какие типы краны шаровые муфтовые 1 1 существуют
Кран шаровый муфтовый — разновидность шарового крана, отличием которого является присоединение к трубе или накопительной емкости для воды при помощи муфт, которые имеет внутреннюю цилиндрическую резьбу.
Ещё муфтовый кран может быть с внутренней конической резьбой. Открыть его можно, повернув рукоять против часовой стрелки до конца. Если рукоять становится параллельно трубе— это обозначает полное открытие крана, закрывать надо поворотом рукояти по часовой стрелке.
Если же рассуждать о применении муфтового шарового крана, то он часто используется для коммунального хозяйства в системе водоснабжения и теплоснабжения. Так же возможно применение данного крана в системах, которые перемещают жидкости и газ.
Существует 3 модификации шарового муфтового крана:
- монолитный, или однокорпусный (самая экономная версия);
- двухсоставной, складывается из двух запчастей — корпуса и муфты (самая используемая версия);
- разборной или трехсоставной (есть возможность собственноручной починки крана с вставкой уплотнителя).
При выборе муфтового крана следует обратить внимание на ряд особенностей:
- Для каких нужд будет этот кран.
- Температура жидкости.
- Какое давление будет в трубе.
- Из какого материала.
- Диаметр трубы.
Только тщательно изучив все эти пункты, можно покупать подходящий вам шаровый кран.
На отечественном рынке есть компания, продукция которой выгодно отличается от всего того, что делают конкуренты. Речь про бренд STOUT .
Их шаровые краны выделяются по следующим ключевым моментам:
- срок службы любого крана – 50 лет;
- производитель гарантирует 55 000 циклов открывания и закрывания;
- конструкция крана позволяет быстро устранить течь даже в случае полной разгерметизации системы;
- лазерная полировка шара;
- прокладка выполняется из FPM (фторкаучук) и PTFE (политетрафторэтилен). Эти материалы обладают высокой сопротивляемостью к химическим реагентам (щелочи, кислоты, растворители, окислители), эксплуатируются долгие годы без какого-либо обслуживания и контроля.
Производство осуществляется на современных итальянских заводах. Технология ориентирована на особенности эксплуатации шаровых кранов в России, поэтому изделия бесперебойно работают даже в сложных климатических условиях.
Установка
Перед установкой нужно тщательно очистить кран от пыли, песка. Установку нужно выполнять только в закрытом положении. Нельзя устанавливать шаровый кран на трубах, которые подвергаются вибрации.
Порядок сборки:
- Для сборки нужна льняная нить такой же ширины, чтоб при скручивании её ширина была равна глубине ложбин на трубе. Длина нити должна быть больше в 1,5−2 раза, чем количество витков резьбы.
- Отмерять 5−7 см от начала нити, потом следует немного скрутить её, положить на первую ложбину и, закрепив, густо намотать нить по часовой стрелке, так что б нить была на каждой ложбине.
- И так намотать на всю резьбу, потом продолжить наматывать вторым слоем от конца к началу, после намотки вторым слоем должно ещё остаться 5−7 сантиметров нити.
- Остаток нити, который остался от второй намотки намотать точно так же по часовой стрелке, наматывая от конца резьбы к её началу.
- Выдавить сверху нити слой герметика.
- Рукой накрутить соединяющиеся части. При правильной установке кран должен обернуться на 1,5−2 оборота.
- Гаечным или динамометрическим ключом завершить накручивание крана.
Плюсы
- низкая цена;
- невысокая масса;
- небольшие габариты;
- длительный рабочий ресурс;
- надёжность и универсальность конструкции;
- не нужно следить за техническим обслуживанием;
- низкое гидравлическое сопротивление;
- можно устанавливать в любом положении;
- герметичность перекрытия потока;
- возможность быстрого перекрытия;
- подача потока в любую сторону.
Минусы
- для закрытия крана нужны длинные рычаги, а при автоматическом закрытии — дорогие электрические приводы;
- если резко открыть кран то может случиться гидравлический удар, который недопустим в некоторых системах;
- в сетях отопления запрещается применять муфтовый шаровый кран, если температура потока достигает 100 °C, давлении в трубе превышает 16 бар и ширина трубы свыше 100 мм.
Следует обратить внимание: Муфтовые краны очень требовательны к сборке, халатная или неаккуратная установка может вызвать резкие скачки давления, деформацию деталей и поломку всей конструкции. По этой причине нельзя устанавливать краны на трубах с резкими скачками давления.
Какие преимущества имеют краны шаровые муфтовые 1 1
Шаровые краны зарекомендовали себя как прочную и стойкую водопроводную арматуру. Поэтому конусные пробковые краны уходят на второй план, их практически и не используют, ведь конструкция считается старой и ненадежной. Отличие шаровых кранов от конусных в том, как пропускается вода. То есть в первом случае вода с нерастворимыми частичками проходит в кране мимо уплотняемых плоскостей через шарообразный затвор, на выход. Во втором случае – вокруг нее. Уже через небольшое количество времени у конусного крана пробка притрется, потеряется герметичность, ведь мелкие частички в воде омывают и трут уплотняющую поверхность. Также такие краны имеют недостаток в гидравлическом сопротивлении.
Шаровые краны имеют минимальное сопротивление потоку воды, если их конструкция устроена так, что полнопроходное сечение имеет одинаковый диаметр с трубой. Также есть краны, где поток воды ограничен (частично проходные). Эта конструкция специально создана для тех мест, где ограничивается проступание воды.
Шаровые частично проходные краны подразделяются на несколько видов:
- Неполнопроходные. Диаметр отверстий для прохода воды в данном случае меньше трубы. Поток воды уменьшается на 40-70%.
- Стандартнопроходные. В этом случае отверстие водопроводного элемента меньше на один тип-размер диаметра трубы. Поступление воды уменьшается на 10-30%.
Шаровой кран имеет предназначение чтобы полностью заграждать путь поступающей воде, то есть существует всего два варианта: закрыто и открыто. Регулировать скорость потока нельзя, ведь конструкция крана не имеет таковой функции. Производитель имеет полное право не принять по гарантии сломанный кран, если обнаружены признаки, что клиент пытался регулировать поступление воды. Специалисту будет абсолютно не сложно это определить. Конструкция таких кранов известна уже давно, но популярность пришла из-за качественных уплотнителей. Уплотнители изготавливают либо из синтетического БНК, который имеет черный цвет, либо из тефлона с термоприсадками и добавкой антифрикционных веществ, цвет в таком случае желтоватый или белый.
Современные технологии позволяют изготавливать уплотнители из качественных материалов, что и придает надежность, износостойкость, повышенную герметичность. Такие уплотнители позволяют без усилий поворачивать затворы. Такие характеристики привлекают все большую массу клиентов, а количество изготовителей и поставщиков с каждым разом становится все больше.
У шарового крана главный элемент – это гладкий и подвижный затвор формы шара с круглыми и сквозными отверстиями, которые служат для прохода поступающей воды.
Чтобы открыть или закрыть шаровой кран нужно ручкой повернуть затвор влево или право до упора.
В режиме «закрыто» отверстие, которое отвечает за пропуск поступающей воды, находится прямо перпендикулярно каркаса и трубопровода. В режиме «открыто» отверстие находится вдоль трубы, создавая тем самым свободный проток. По расположению рычага легко определить в каком состоянии кран, открыт он или закрыт.
Какие недостатки имеют краны шаровые муфтовые 1 1

Существует несколько аспектов, соблюдение которых поможет облегчить процедуру монтажа, а также даст гарантию успешной эксплуатации шарового крана. Первый из них касается выбора изделия. Перед приобретением нужно учесть следующие моменты:
- диаметр трубы, на которую вы планируете осуществлять монтаж. Подбирать шаровый кран необходимо с соответствующим показателем,
- тип резьбы. Опять же, все зависит от того места, куда вы будете производить установку. Обратите внимание на то, какая резьба на обоих участках трубы, и подберите изделие таким образом, чтобы оно соответствовало существующим параметрам. Различают следующие типы шаровых кранов по расположению резьбы на обеих его сторонах: обе наружные, обе внутренние, одна наружная, другая внутренняя, одна внутренняя, другая «американка». Если по каким-то причинам шаровый кран не будет соответствовать трубе по этим показателям, то можно воспользоваться переходником, но это значительно снизит прочность и надежность трубопровода, поскольку каждое дополнительное место соединения повышает возможность возникновения протечки,
- наличие свободного места. Шаровый вентиль может быть как с короткой, так и с длинной ручкой. Выбор зависит от того, сколько есть свободного места там, где вы будете располагать это изделие. У вас должна быть возможность повернуть ручку, не натыкаясь на препятствия. Так что, если место вокруг соединения не отличается простором, лучше приобрести модель с короткой ручкой.
Как выбрать подходящий кран шаровый муфт 1 1
Шаровой кран – это запорное устройство для отключения (отсечения) подачи транспортируемой в трубопроводе рабочей среды находящейся под давлением с четвертьоборотным рабочим ходом.Правильный монтаж и надлежащая эксплуатация шарового крана позволит продлить его срок службы и обеспечит надежную и безопасную эксплуатацию трубопроводов.
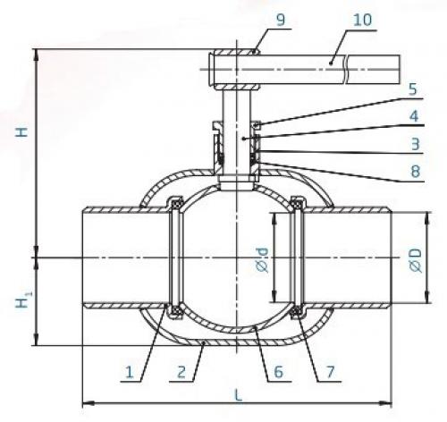
Пример конструкции латунного шарового крана STC .
1. Корпус – латунь горячепрессованная никелированная CW617N + Ni; 2. Шар затворный – латунь горячепрессованная хромированная CW617N + Cr; 3. Седельные кольца – тефлон (политетрафторэтилен) с добавкой углерода и термоприсадок на основе кремния P.T.F.E.+C+EM; 4. Шток – латунь горячепрессованная CW617N; 5. Сальниковый уплотнитель – тефлон (политетрафторэтилен) с добавкой углерода и термоприсадок на основе кремния P.T.F.E.+C+EM; 6. Уплотнительные кольца – резина EPDM (этилпропиленовый каучук); 7. Опорная шайба – тефлон (политетрафторэтилен) с добавкой углерода и термоприсадок на основе кремния P.T.F.E.+C+EM; 8. Втулка сальниковая – латунь горячепрессованная CW617N; 9. Гайка крепления рукоятки – латунь горячепрессованная CW617N или оцинкованная (хромированная) сталь; 10. Рукоятка – сталь оцинкованная с покрытием из полихлорвинила Cталь+Zn c ПВХ. Шаровой кран закрывается поворотом ручки по часовой стрелке на 90 градусов, открывается поворотом на 90 градусов против часовой стрелки. Параллельное положение рычага к оси крана указывает, что он открыт, а перпендикулярное положение ручки к оси крана означает, что он закрыт.
Как правильно установить кран шаровый муфт 1 1
Чтобы разобраться в том, как починить текущий шаровой кран, нужно иметь представление о его конструкции. Основным элементом является поворотная ручка, при помощи которой регулируется температура и напор воды. Она крепится к корпусу винтом, скрытым под декоративной заглушкой. К ручке присоединён регулирующий шток.
В корпусе находится неразборный картридж, внутри которого располагается пустотелый шар с двумя входными и одним выходным отверстиями. Он удерживается при помощи уплотнительных сёдел. Перед тем, как починить шаровый кран, необходимо определить место поломки. Если неполадка возникла в картридже, то устранить её будет невозможно. Придётся менять весь узел.
Возможные неисправности
Чтобы знать, как починить текущий шаровой кран, рекомендуется ознакомиться со списком наиболее распространённых проблем. К ним относятся следующие неполадки:
- Появление трещин на корпусе. Такая поломка характерна для дешёвых моделей, изготовленных из материала низкого качества (силумина). В этом случае требуется полная замена крана. В качестве временной меры можно обработать трещину водостойким герметиком или холодной сваркой. Однако при первой возможности его необходимо заменить.
- Протечка воды. Чтобы понять, как починить шаровый кран, если он течёт, нужно выяснить причину выхода его из строя. Обычно она заключается в мельчайших частицах, которые попадают между резиновыми сёдлами и шаром. В результате нарушается герметичность и укорачивается срок службы сёдел.
- Слабый напор. В этом случае перед тем, как починить шаровый кран, следует проверить давление в системе водопровода. Если оно соответствует норме, то неисправность может заключаться в засорении сетчатого фильтра (аэратора). Для ремонта его нужно извлечь, почистить и поставить на место. Чтобы такие проблемы не возникали в будущем, на подводящие трубы устанавливают водяные фильтры. Также увеличить напор можно при помощи регулировки штока, соединяющего рычаг с шариком.
- Невозможность установить нужную температуру. Проблема обычно связана с засорением одного из отверстий картриджа. Решается методом чистки. В некоторых случаях приходится менять уплотнитель или картридж целиком.