Построй всё сам

Куча полезной и интересной информации по строительству, ремонту и дизайну интерьеров.

Все, что нужно знать о кранах шаровых муфтовых 2

14.01.2025 в 20:17

Все, что нужно знать о кранах шаровых муфтовых 2

Муфторые вентили из латуни используются в основном для систем холодного водоснабжения. Они обладают следующими техническими характеристиками:

  • максимальная температура рабочей среды – 70 градусов;
  • условное давление составляет 10 гмс/см2;
  • диаметр варьируется в пределах от 15 до 50 мм;
  • передвижное устройство – шпиндель и гайка, благодаря которым давление рабочей среды не влияет на работу устройства;

Муфтовый латунный вентиль применяется на магистральных водопроводах горизонтального и вертикального типа.

По типу конструкции вентили подразделяются на три вида:

  • прямоточный. Такой клапан не имеет внутренних деталей, сделанных из металла, требующих защиты. Ось шпинделя в таком устройстве расположена под углом по отношению к оси потока, которая является практически прямолинейной. Корпус оборудования оснащен соосными патрубками и не имеет застойных зон. Одно из главных преимуществ такого муфтового вентиля состоит в том, что его уровень гидравлического сопротивления сравнительно низок, однако, сам корпус имеет большую строительную длину и вес;
  • угловой – это вентиль, имеющий угловую конструкцию. Такое оборудование чаще всего применяется для пожарных кранов. Устанавливается оно на месте сгиба и поворота трубопровода;
  • проходной клапан устанавливается на любом участке трубопровода. Он обладает несколько большим уровнем гидравлического сопротивления, чем, к примеру, угловой, однако, является более универсальным.

Прямоточный вентиль применяют на прямых участках трубопровода

По типу герметизации вентили бывают двух видов.

Сальниковый . Суть такой герметизации состоит в создании сальниковой камеры на крышке клапана или на той части его корпуса, где через него проходит шпиндель. Камера эта заполняется специальным наполнителем, который и обеспечивает герметичность.

Плюсы муфтового проходного вентиля с сальниковой герметизацией – простота конструкции, удобство и легкодоступность при ремонте и обслуживании и универсальность – в качестве наполнителя можно использовать различные материалы, что делает возможным использование устройства на разных типах трубопроводов.

Сильфонный. Этот тип более надежный. Он применяется в тех случаях, утечка рабочей среды приведет к серьезным последствиям, так как при использовании данного вида оборудования она невозможна.

Конструкция его представляет собой сильфонный узел, состоящий из гофрированной трубки – непосредственно сильфона, которая одним концом соединяется со злотником, а другим – с корпусными деталями.

Основной недостаток муфтового проходного вентиля с сильфоном – сложность конструкции, что влечет за собой большую стоимость и сложность проведения ремонта, а также высокую стоимость самого прибора.

Связанные вопросы и ответы:

Вопрос 1: Что такое краны шаровые муфтовые 2

Ответ: Краны шаровые муфтовые 2 представляют собой механизмы, которые используются для передачи вращательного движения между двумя деталями. Они состоят из шаровой муфты, которая соединяет две детали, и двух подшипников, которые обеспечивают свободное вращение муфты. Эти краны широко используются в различных отраслях промышленности, таких как автомобилестроение, авиастроение, судостроение и другие.

Вопрос 2: Какие преимущества имеют краны шаровые муфтовые 2

Ответ: Краны шаровые муфтовые 2 имеют ряд преимуществ. Они обеспечивают высокую точность и стабильность вращения, а также высокую надежность и долговечность. Они также имеют низкий коэффициент трения и хорошую способность к самозажимке, что позволяет им работать в различных условиях и при различных нагрузках.

Что такое кран шаровый муфтовый 2

Категория: Технические описания и документации

Основное назначение шарового муфтового крана – перекрытие потока жидкостей или газов в трубопроводе.
Достоинством муфтовых шаровых кранов является их универсальность и пригодность практически ко всем видам трубопроводов. Производство кранов разного диаметра, рассчитанных на самые разные нагрузки и температурные режимы, позволяет применять его для транспортировки жидких, газообразных веществ, нефтепродуктов, а так же применять в химической, энергетической и пищевой промышленности.
Характерный способ крепления (при помощи муфт, снабженных цилиндрической трубной резьбой по внутренней стороне муфты), позволяет крепить шаровый кран к самым разным трубам и аппаратам. А различные материалы, из которых изготовлены эти перекрытия, позволяют приспособить их к средам, крайне агрессивным и нежелательным для других изделий.
Все эти достоинства характеризуют кран шаровый муфтовый, как качественный, надежный и удобный в эксплуатации.
Но при этом у него может быть только два рабочих положения : открытое и закрытое. Нахождение шарового крана в полузакрытом состоянии может привести к возникновению турбулентности в области запорного органа, что может привести к преждевременному износу и поломкам.
Так же нежелательны для этого изделия резкие скачки давления. Это может вызвать деформацию и привести в негодное состояние. Не менее важно следить за правильностью исполнения монтажа шаровых кранов. Если соблюсти эти нехитрые условия, шаровый муфтовый кран будет служить долго и исправно.

В каких случаях используются краны шаровые муфтовые 2

Шаровые муфтовые краны изготавливаются с использованием передовых технологий, что гарантирует их высокое качество и долговечность. Основным элементом конструкции является шар, который выполняет функцию запорного органа. Внутренняя поверхность шара тщательно полируется, что позволяет обеспечивать надежное герметичное закрытие.

Материалом для изготовления шаровых муфтовых кранов чаще всего служит латунь. Кран шаровой муфтовый латунь отличается высокой прочностью и коррозионной стойкостью, что делает его идеальным выбором для эксплуатации в условиях повышенной влажности и контакта с водой. Латунные краны также обладают высокой устойчивостью к температурным изменениям, что особенно важно в системах отопления.

Для особо ответственных задач используется кран шаровой нержавеющий муфтовый, который характеризуется максимальной устойчивостью к коррозии и агрессивным средам. Нержавеющая сталь позволяет использовать такие краны в промышленных установках, где возможен контакт с химически активными веществами.

Еще одним важным элементом шарового крана является его проходное отверстие. В зависимости от конструкции, выделяют кран шаровой муфтовый полнопроходной и кран шаровой муфтовый проходной. Полнопроходные краны обеспечивают максимальную пропускную способность, что особенно важно в магистральных трубопроводах. Проходные краны, в свою очередь, могут использоваться в системах, где требуется регулировка потока жидкости.

Ручное управление краном — наиболее распространенный способ эксплуатации. Кран шаровой ручной муфтовый отличается простотой конструкции и надежностью в эксплуатации. Важно отметить, что благодаря специальным уплотнительным материалам, таким как фторопласт, обеспечивается долгий срок службы крана без необходимости частого технического обслуживания.

В каких случаях используются краны шаровые муфтовы.  Технология производства шаровых муфтовых кранов

Какие типы кранов шаровых муфтовых 2 существуют

По типу присоединения шаровые краны различают на:

  • муфтовые;
  • фланцевые;
  • штуцерные;
  • приварные.

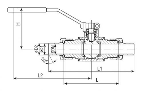
Кран шаровой муфтовый

Имеет внутреннее резьбовое присоединение. Благодаря этому резьбовому соединению муфтовый кран имеет меньшую строительную длину и массу.

Все, что нужно знать о кранах шаровых муфтовых 2 01

Схема крана шарового муфтового

Преимущество крана в том, что для надежного соединения не нужны дополнительные крепежные элементы. Также он незаменим на тех участках трубопровода, где недостаточно места для работы гаечным ключом.

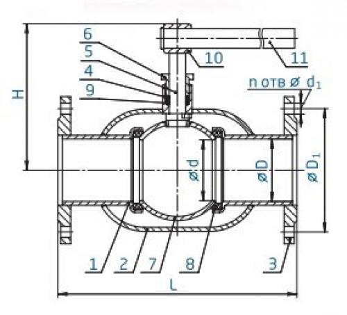
Кран шаровой фланцевый

Присоединяется к фланцам. Присоединение обеспечивается за счет двух фланцев, уплотнительного кольца, соединительных болтов и гаек.

Все, что нужно знать о кранах шаровых муфтовых 2 02

Схема крана шарового фланцевого

Краны легко монтируются и обслуживаются, их можно многократно монтировать и демонтировать, при этом фланцевые краны имеют большие размеры и вес. Используются, как правило, на трубопроводах, где требуется частый монтаж и демонтаж кранов.

Кран шаровой штуцерный

Это кран с наружной резьбой, к которому присоединяется нипель с накидной гайкой. Конструкция обеспечивает небольшие размеры и вес изделия, при этом такой кран прост в обслуживании и монтаже.

Все, что нужно знать о кранах шаровых муфтовых 2 03

Схема крана шарового штуцерного

Легко монтируются и обслуживаются, их можно многократно монтировать и демонтировать. В отличие от фланцевых кранов занимает меньше места и может устанавливаться в труднодоступных местах.

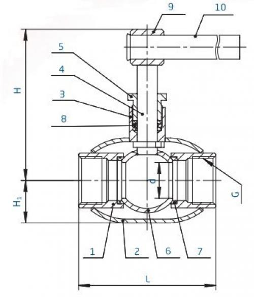
Кран шаровой приварной

Имеет концы под приварку. Такие краны имеют небольшой вес, герметично крепятся к трубе, однако сложно обслуживаются: их демонтаж и замена довольно трудоемки.

Все, что нужно знать о кранах шаровых муфтовых 2 04

Схема крана шарового приварного

Предназначены для высокого давления рабочей среды, поэтому обладают высокой герметичностью перекрытия и прочностью соединения.

Как работают крановые системы шаровых муфтовых 2

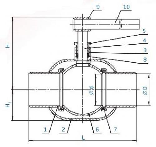
Рис. 1. Проходной шаровой кран в разрезе.

Детали конструкции шаровых кранов варьируют в зависимости от сферы их применения. Например, на трубах с диаметром более 30 см ставятся модели с редукторами, а краны для высокоточной регулировки оснащаются измерительными приборами. Устройства с количеством патрубков больше 2-х, с T-образными или L-образными портами, позволяют смешивать и перенаправлять потоки. Но в быту чаще используют кран с двумя отводами (рис.1).

Рис. 2. Затворная пробка запорного шарового крана.

Рассмотрим принципиальное устройство такого шарового крана.

Главный элемент крана — хорошо отшлифованный шар: сферический затвор/затворная пробка с цилиндрическим сквозным отверстием.

Диаметр отверстия совпадает с диаметром трубы либо чуть меньше. В зависимости от этого параметра краны делятся на полнопроходные и неполнопроходные/редуцированные. Первые дороже (иногда почти вдвое) и используются, когда важно минимизировать гидравлические потери. У вторых пропускная способность ниже на 20-50% (в зависимости от модификации). Это замедляет ток среды, повышает риск эрозии, снижает долговечность. Зато они дешевле и компактнее, поэтому их чаще всего выбирают для домашнего использования.

У кранов с функцией регулирования форм шара и отверстия более сложная конструкция (рис 3).

Рис. 3. Затворная пробка регулирующего шарового крана.

Материал шара — сталь или латунь с антикоррозийным напылением (никель, хром).

Есть в продаже и модели из полипропилена для установки на пластиковые трубопроводы. Учитывайте, что они менее прочные, чем металлические, и не годятся для транспортировки горячих сред (выше 600С).

В большинстве кранов ставятся фторопластовые уплотнительные элементы. Этот материал рассчитан на эксплуатацию в диапазоне температур от -100С до +1500С. Для более сложных температурных условий чаще выбирают конструкции с жесткими уплотнениями из металла. Но они характеризуются меньшей герметичностью.

Шпиндель — деталь, которая передает усилие от рукоятки к шару. В современных моделях при сборке его устанавливают изнутри корпуса: это снижает риск выбивания при скачках давления.

Управлять положением затвора можно рукояткой (в форме рычага, бабочки или колеса), которая сверху удерживается самоблокирующейся гайкой.

Кстати, по цвету рукоятки можно быстро определить назначение крана (рис. 4). Если цвет желтый — это арматура для газопровода. Другими цветами обычно маркируют краны для систем отопления и водоснабжения.

Рис. 4. Цвета ручек шаровых кранов разного назначения.

Когда требуется дистанционное управление, выбираются варианты с пневмо- и электроприводами (рис. 5).

Рис. 5. Краны с приводами.

Корпус крана изготавливают из стали, латуни, чугуна или пластика. Для промышленного использования чаще заказывают модели в стальном корпусе, а для бытовых систем — латунные.

В зависимости от способа соединения с трубопроводной линией краны подразделяются на муфтовые, фланцевые и приварные (рис 6).

Рис. 6. Разновидности крана по типу соединения (муфтовый, фланцевый, сварной).

Муфтовое соединение характерно для систем с диаметром трубы до 45 мм. Если нужно поставить запорную арматуру на домашний радиатор, то разумным решением будет муфтовый кран с наружной или внутренней резьбой.

Фланцевые соединения выдерживают большие нагрузки. Такие краны ставятся на системы с трубой более 50 мм в диаметре.

Для крепления приварного крана потребуется сварочный аппарат. Это соединение считается самым прочным и применяется в промышленных трубопроводах с большим диаметром.

Какие преимущества имеют крановые системы шаровых муфтовых 2


Все, что нужно знать о кранах шаровых муфтовых 2 05 Кран шаровый муфтовый - это краны с резьбовым присоединением, которые нашли широкое применение в различных областях промышленности и ЖКХ. Эти краны выпускаются с Ду8 по Ду100, материал корпуса: латунные, стальные и нержавеющие. Основные достоинство таких кранов: малый вес, малая строительная длина, невысокая стоимость. К недостаткам муфтовых шаровых кранов можно отнести узкую линейку диаметров и сложность при проведении обслуживания (кран забился окалиной и т.п.) и ремонтных работ.Существует несколько разновидностей типа резьбы: - кран шаровый вн-вн с внутренней резьбой с обоих сторон; - кран шаровый нар-нар (так же называется кран шаровый цапковый) с наружной резьбой с обоих сторон; - кран шаровый штуцерный — это разновидность крана с наружной резьбой, только на каждую резьбу накручены штуцера; - кран шаровый вн-нар с внутренней резьбой с одной стороны и наружной резьбой с другой стороны; - кран шаровый с «американкой» с внутренней резьбой с одной и накидной гайкой с другой стороны.Все, что нужно знать о кранах шаровых муфтовых 2 06 Кран шаровый фланцевый - это краны, который присоединяется непосредственно к обратным фланцам. Эти краны выпускаются с Ду15 по Ду800, материал корпуса: чугунные, стальные и нержавеющие. Основные достоинство таких кранов: удобство монтажа и обслуживания, применяемость для всей линейки давлений. К недостаткам фланцевых шаровых кранов можно отнести большие вес и габаритные размеры, а так же возможность ослабления со временем затяжки болтов и как следствие потеря герметичности.Все, что нужно знать о кранах шаровых муфтовых 2 07 Кран шаровый под приварку - это краны с концами под приварку. Эти краны выпускаются с Ду10 по Ду800, материал корпуса: стальные и нержавеющие. Основные достоинство таких кранов: полная и надежная герметичность соединения, малый, в сравнении с фланцевыми, вес и строительная длина. К недостаткам сварных кранов можно отнести невозможность обслуживания, сложность демонтажа и замены.

Какие недостатки имеют крановые системы шаровых муфтовых 2

Есть несколько подвидов шаровых кранов, между которыми есть довольно существенные различия. Очень подробно мы про это рассказывать не будем, но коротко упомянуть стоит. Тем более тут есть разные способы классификации, некоторые из которых имеют важное значение при выборе. Это не все критерии, но, скажем так, самые первые, с которыми вам будет нужно определиться в самом начале.

    Полнопроходные. Здесь диаметр отверстия практически полностью идентичен диаметру трубы. Но даже в этом случае пропускная способность шарового крана (точнее, отверстия в шаре), может быть не максимальной. Показатель может варьироваться от 90-91 до 99%. Впрочем, применительно к бытовым трубопроводам это проблемой не является.

    Стандартнопроходные. Здесь пропускная способность может быть от 70 до 90%. Опять же, для бытовых трубопроводов небольшого диаметра это проблемой не является. Да, может быть некоторая потеря напора, но зачастую это не важно. А вот там, где нужен постоянный напор, шаровые краны этого подвида уже не используются.

    Неполнопроходные. В этом случае пропускная способность еще меньше, нижняя граница может быть 45 или даже 40%. Такие не используют даже в быту и применяют только там, где напор нужно специально ограничивать.

Далее шаровые краны разделяют на виды в зависимости от способа крепления к трубе. Здесь также есть разные варианты, которые различаются как по сложности установки, так и по надежность.

    Сварные. Как понятно из названия, такие шаровые краны крепят к трубе при помощи сварки. Если это сделали правильно, то такое соединение будет одним из самых надежных, если не самым. Минус в том, что нужно иметь опыт сварки и собственно сварочное оборудование.

    Фланцевые. Крепятся при помощи фланцев, вариант также очень надежный и довольно распространенный. Кроме того, в отличие от сварного, он является разъемным. Правда, в быту используется редко, так как он лучше подходит для труб большого диаметра.

    Муфтовый. Здесь шаровой кран крепится при помощи резьбы. У нас даже есть отдельная статья, в которой мы рассказывали, как самостоятельно сделать резьбу, сложных инструментов для этого не требуется. В бытовых трубопроводах этот способ используется чаще всего, а вот для труб крупного диаметра он подходит уже хуже.

Также есть и комбинированные варианты, где для присоединения к трубе могут использоваться разные способы. Но в большинстве случаев в этом нет особого смысла, поэтому такие шаровые краны популярностью не пользуются. В любом случае, используется только один вариант соединения. Также их разделяют по конструкции запорного элемента:

    Шар в опорах. Этот вариант дороже, здесь затвор (шар) дополнен выступом цангой. В другие детали мы вдаваться не будем, но особенность этого варианта в том, что для закрытия или открытия крана нужно меньшее усилие.

    С плавающим шаром. Это собственно классическая конструкция, про которую мы рассказывали выше. Здесь нужно несколько большее усилие для закрытия крана, но зато этот вариант дешевле. Есть ограничение по максимальному диаметру труб, где допустимо использовать этот вариант, но для бытового трубопровода это значения не имеет. Ограничение там более 20 сантиметров.

Также их разделяют по материалу, из которого они изготовлены. Пожалуй, это даже важнее, чем то, о чем мы говорили выше, ведь именно материал определяет надежность изделия. Разумеется, он влияет и на цену. Их делают из разных материалов, в том числе тут есть и довольно редкие варианты (под особые условия), но мы поговорим только про самые распространенные.

    Латунные. Пожалуй, самый распространенный и оптимальный вариант по соотношению цены и надежности. Узнать такие краны легко по их светло-желтому цвету, впрочем, некоторые могут быть и окрашены. Латунь не слишком хорошая тогда, когда контактирует с морской водой, растворами хлоридов и т.д., но в быту этим можно пренебречь.

    Силумин. Сплав алюминия и кремния, стоит дешевле, чем латунь, вообще, это один из самых дешевый вариантов. Но при этом это самый плохой вариант, так как этот сплав отличается повышенной хрупкостью. Здесь можно сорвать резьбу или попросту повредить его при монтаже. На наш взгляд, от этого варианта лучше отказаться.

    Нержавеющая сталь. Также надежный и прочный вариант, который еще и устойчив к агрессивным средам, хотя и с некоторыми ограничениями.

    Углеродистая сталь. Достаточно прочная, но при этом недорогая. Минус в подверженности коррозии, что решается нанесением защитного состава. Правда, тут будет крайне желательно не повредить этот защитный слой при монтаже.

    Пластик. Тут могут использовать разные виды пластика, например, поливинилхлорид, полипропилен и другие. Они отличаются по своим свойствам, но все они химически инертны, не боятся коррозии, стоят недорого. Разумеется, по своей надежности они уступают многим другим вариантам, но это не значит, что их нельзя использовать. Чаще всего пластиковые шаровые краны применяют тогда, когда трубопроводная система сама из пластика.

Как выбрать правильный кран шаровый муфтовый 2 для своей задачи

Такой вид имеет резьбовое присоединение, которое и позволяет осуществлять монтаж. Это позволяет данному варианту обладать меньшими габаритами. В случае с резьбовым присоединением Вам не понадобится использовать дополнительные элементы. Установить такое шаровое изделие не очень сложно. Вам понадобится лишь желание, набор ключей и уплотнители.

Как правильно подготовить кран шаровый муфтовый 2 к работе. Как установить кран шаровый муфтовый?

Основные достоинства данных конструкций в том, что они характеризуются долгим сроком службы, малым весом, и простотой установки. Справится даже человек, который не имеет специальных знаний.

Существенным плюсом муфтовых шаровых кранов являются монтажные размеры, которые варьируются от 4 до 27 см. А также небольшой Ду — от ¼ до 4 дюймов. Это позволяет устанавливать их не только в частных помещениях (в большинстве случаев), а и на предприятиях.

Перед установкой рекомендуется ознакомиться с конструкцией. Сюда относится: корпус, шаровой механизм, шток, вентиль-бабочка или рычаг, уплотнители.

Монтаж шаровых кранов муфтовых производится следующим образом:

  1. Определите место, к которому у Вас будет свободный доступ, и где Вы сможете спокойно работать, а доступ к открытию и закрытию ручки осуществлялся без проблем.
  2. Прекратите подачу воды, заранее отключив её, и убедитесь, что не осталось остатков.
  3. Проверьте целостность патрубков. Дополнительно протрите их специальным средством, которое позволит обезжирить конструкцию.
  4. Проследите, чтобы при присоединении никакие детали не были повреждены;
  5. Помните, что герметичность крайне важна. Для этого используйте герметик (тефлоновая лента\лён).
  6. Смажьте место стыка маслом.
  7. Совершите «пробный» запуск и проверьте, не образуются ли пузыри и нет ли протечки.

Как правильно подготовить кран шаровый муфтовый 2 к работе

Шаровые краны являются одним из наиболее распространенных видов кранов, используемых для управления потоком жидкостей и газов в промышленности и бытовых условиях. Однако, как и любое оборудование, шаровые краны требуют особого внимания к безопасности при использовании. Подробную информацию о кранах можно посмотреть на сайте .

1. Правильная установка: Убедитесь, что шаровой кран установлен правильно и надежно закреплен. Это поможет избежать повреждений или утечек.
2. Регулярная проверка:
3. Правильное обслуживание: Регулярно обслуживайте согласно рекомендациям производителя. Это поможет продлить срок службы оборудования и избежать непредвиденных сбоев.
4. Правильное использование: Используйте только в соответствии с его назначением и техническими характеристиками. Не превышайте максимальное давление и температуру, для которых он предназначен.
5. Обучение персонала: Обучите персонал, который будет работать с шаровым краном, правильным методам его использования, технике безопасности и процедурам обслуживания.

Соблюдение этих мер безопасности поможет минимизировать риск возникновения аварий и обеспечит безопасную эксплуатацию шаровых кранов.

Для предотвращения аварийных ситуаций при использовании шаровых кранов рекомендуется следующее:
1. Регулярная проверка: Проводите регулярные технические осмотры шаровых кранов для выявления потенциальных проблем и износа деталей.
3. Правильная установка: Убедитесь, что кран установлен и закреплен согласно предписаниям производителя.
4. Использование в соответствии с назначением: Пользуйтесь шаровыми кранами только в соответствии с их предназначением и техническими параметрами.
5. Регулярное обслуживание: Следите за регулярным техническим обслуживанием шаровых кранов и заменой изношенных деталей.
6. Соблюдение инструкций: Прослушивайте и следуйте рекомендациям и инструкциям по безопасному использованию шаровых кранов, указанным в руководстве по эксплуатации.
7. Обозначение опасных областей: Если шаровые краны используются в опасных средах, обозначьте эти зоны и проведите необходимые контрольные мероприятия.

Предотвращение аварийных ситуаций при использовании шаровых кранов является ключевым в обеспечении безопасности в производственной среде. Данные меры также помогут обеспечить долговечность и надежность шаровых кранов.

    1. 5
    2. 4
    3. 3
    4. 2
    5. 1