Кран шаровой муфтовый полнопроходной: принцип действия и основные характеристики
- Кран шаровой муфтовый полнопроходной: принцип действия и основные характеристики
- Связанные вопросы и ответы
- Что такое кран шаровой муфтовой полнопроходной
- Какие основные характеристики имеет кран шаровой муфтовой полнопроходной
- Какие материалы используются для изготовления кран шаровой муфтовой полнопроходной
- Как работает кран шаровой муфтовой полнопроходной
- Какие типы устройств могут быть использованы вместе с кран шаровой муфтовой полнопроходной
- Какие факторы влияют на выбор кран шаровой муфтовой полнопроходной
- Как правильно установить кран шаровой муфтовой полнопроходной
- Как проводить техническое обслуживание кран шаровой муфтовой полнопроходной
Кран шаровой муфтовый полнопроходной: принцип действия и основные характеристики
Шаровые муфтовые краны обладают отличными эксплуатационными характеристиками, что сказалось на их популярности и повсеместном применении. К их положительным характеристикам можно причислить следующее:
- огромный эксплуатационный ресурс, шаровые краны рассчитаны на 5 лет беспрерывного пользования, что составляет от 20 до 25 тысяч открываний/закрываний;
- компактный размер и широкий выбор изделий с различной спецификой позволяют подобрать кран под любые нужды и использовать в самых непритязательных условиях с высоким удобством;
- высокая надежность – краны обеспечивают полную герметичность;
- небольшой вес – благодаря компактным размерам изделие не требует значительных затрат материала на свое изготовление;
- устойчивость к коррозионным процессам;
- высокая скорость перекрытия потока, особенно у консольного типа с ручкой;
- не нуждаются в постоянном обслуживании, могут работать на протяжении длительного периода без смазки;
- диапазон рабочих температур колеблется в пределах от – 50 до + 200 градусов;
- небольшой коэффициент гидравлического сопротивления;
- для производства шарового крана не нужно много материала, что делает соотношение цена/выгода от использования еще выше;
- могут использоваться с различными типами жидкости, в том числе сильнозагрязненными, вязкими, суспензиями и пульпой;
- не создает зону застоя.
Но также у шаровых кранов есть свои слабые стороны, к ним можно причислить следующее:
- относительным недостатком считается наличие весьма длинного и массивного штока, из-за чего в тесных условиях могут возникнуть неудобства;
- кран требует плавного открытия, иначе при высоком давлении может произойти гидравлический удар;
- не может использоваться в отопительной системе с рабочей температурой более 150 С и давлением 1.6 МПа;
- могут образовываться солевые отложения, осложняющие эксплуатацию крана в дальнейшем;
- при плохом качестве весьма вероятно засорение шаровой пробки;
- мелкие частицы песка и ржавчины, присутствующие в изношенных водогонных магистралях, могут повредить шар, следствием чего станет нарушение герметичности в закрытом состоянии;
- недорогие версии шарового крана часто дают течь в течение небольшого срока после начала эксплуатации;
- при использовании на магистрали холодной воды должна поддерживаться плюсовая температура иначе произойдет замерзание воды и разрыв крана.
Связанные вопросы и ответы:
Вопрос 1: Что такое кран шаровой муфтовый полнопроходной
Кран шаровой муфтовый полнопроходной - это тип крана, который используется для перемещения грузов и материалов в промышленности. Он отличается от других типов кранов тем, что его конструкция позволяет грузу проходить сквозь его центральную часть, благодаря чему груз может быть перемещен с одной стороны на другую без необходимости поворачивать кран. Это делает его идеальным выбором для перемещения грузов в ограниченном пространстве.
Вопрос 2: Какие материалы используются для изготовления крана шаровой муфтового полнопроходного
Кран шаровой муфтовый полнопроходной обычно изготавливается из стали высокой прочности. Это делает его прочным и устойчивым к механическим нагрузкам. В конструкции крана также используются специальные материалы, такие как бронза и алюминиевые сплавы, которые обладают высокими антифрикционными свойствами и способствуют снижению износа.
Вопрос 3: Как работает кран шаровой муфтовый полнопроходной
Кран шаровой муфтовый полнопроходной работает на основе принципа передачи вращательного движения от электродвигателя к грузовой подвеске. Вращение электродвигателя передается на муфту, которая соединяется с барабаном. Барабан вращается, и грузовой подвесной механизм поднимается или опускается, перемещая груз вверх или вниз. Благодаря своей конструкции, кран может перемещать грузы с одной стороны на другую без необходимости поворачивать кран.
Вопрос 4: Какие грузы могут быть перемещены с помощью крана шаровой муфтового полнопроходного
Кран шаровой муфтовый полнопроходной может быть использован для перемещения различных типов грузов, включая металлические и неметаллические предметы, строительные материалы, оборудование и другие объекты. Он может перемещать грузы весом от нескольких десятков килограммов до нескольких тонн, в зависимости от его конструкции и параметров.
Вопрос 5: Как выбрать подходящий кран шаровой муфтовый полнопроходной
При выборе крана шаровой муфтового полнопроходного важно учитывать его максимальную грузоподъемность, диаметр и длину грузовой подвески, а также требуемую высоту подъема. Также важно учитывать размеры помещения, в котором будет использоваться кран, и возможность монтажа и демонтажа крана. Выбор крана должен быть основан на конкретных требованиях и условиях работы.
Вопрос 6: Как обеспечить безопасность при работе с краном шаровой муфтового полнопроходного
Безопасность при работе с краном шаровой муфтового полнопроходного является очень важной. Важно проводить регулярный технический осмотр и обслуживание крана, чтобы обеспечить его надлежащее функционирование. Работники должны быть обучены правилам безопасности и иметь необходимые знания и навыки для работы с краном. Также важно соблюдать все правила и инструкции по эксплуатации крана, предотвращать перегрузки и неисправности.
Вопрос 7: Какие преимущества имеет кран шаровой муфтовый полнопроходной по сравнению с другими типами кранов
Кран шаровой муфтовый полнопроходной имеет ряд преимуществ по сравнению с другими типами кранов. Он позволяет перемещать грузы с одной стороны на другую без необходимости поворачивать кран, что делает его идеальным выбором для перемещения грузов в ограниченном пространстве. Он также обладает высокой грузоподъемностью и может быть использован для перемещения различных типов грузов. Кроме того, кран шаровой муфтовый полнопроходной имеет простую конструкцию и эффективное управление, что делает его удобным и безопасным в эксплуатации.
Что такое кран шаровой муфтовой полнопроходной
Полнопроходные краны хороши своим коэффициентом гидравлического сопротивления. Объясняется это тем, что такие изделия не предусматривают снижение напора, в связи с чем на их запорные элементы практически не оказываются нагрузки. А если нагрузки уменьшаются, то продлевается эксплуатационный срок крана.
Среди положительных качеств полнопроходных кранов выделяют следующие:
- Конструкция изготавливается цельносварной, то есть она не предусматривает ненадежных линейных элементов;
- Корпус, не имеющий соединений, достаточно прост в плане ухода, так как нет необходимости подтягивать и смазывать его крепления. По этой причине полнопроходные шаровые краны доступны в плане технического обслуживания;
- Такие краны отличаются небольшим гидравлическим сопротивлением, в связи с этим, запорная арматура, даже если в системе жидкость двигается с большой скоростью, не сталкивается с таким явлением как кавитация;
- Легко и быстро монтируется к трубе, для чего используются специальные ключи. В случае, когда полнопроходный кран должен быть оборудован приводом, он легко устанавливается даже к уже готовому к работе оборудованию;
- Высокий уровень прочности и надежности, а также стойкости к различным средам. Полнопроходный кран пользуется большим спросом для обустройства тех систем, по которым будет подаваться масло, топливо или растворители.
Такие краны отличаются тем, что их штуцер и корпус представляют собой единый элемент, кроме того, конструкция предполагает наличие углеродно-тефлоновых прокладок, которые дополнительно усиливаются кольцами. В случае с работой в агрессивных средах, подобные изделия отличаются своей сопротивляемостью и износостойкостью. Сам шар, располагаемый внутри полнопроходного крана, изготавливается из нержавейки и имеет отшлифованную поверхность.
При помощи такого крана можно без особых сложностей перекрыть поток рабочей среды. Принцип действия таков: уплотнительное кольцо прижимается к шару под действием тарельчатой пружины. Изнутри кран оборудован шпинделем, задача которого обеспечить фиксацию внутренних колец уплотнения (если они износятся, то их можно легко заменить на новые). Сама конструкция соединяется максимально мягко и при этом прочно, так как между втулкой и валом имеется прокладка из тефлона.
Какие основные характеристики имеет кран шаровой муфтовой полнопроходной
Технология производства латунных кранов шарового типа не представляет особой сложности. На специальном станке вытачивают шар и шток, которые составляют запорный механизм всего устройства. При изготовлении уплотнительных элементов чаще всего используется метод экструзии. Сложным можно назвать изготовление непосредственно корпуса шарового латунного крана. В этом случае может использоваться один из трех методов производства.

В первом случае корпус отливают по стандартной форме, этот способ является самым простым и дешевым. Однако следует отметить недостатки такого изготовления. Во-первых, заготовка в обязательном порядке должна подвергнуться дополнительной обработке. Во-вторых, в корпусе можно обнаружить скрытые пустоты, которые являются причиной быстрого разрушения корпуса изделия.
Второй вариант предполагает использование матричного метода запекания. В этом случае латунный порошок необходимо засыпать в специально подготовленную матрицу и «запечь» частицы в условиях высокой температуры до получения готовой детали. Использование этого метода позволяет получить более точные детали, которые не требуют дополнительной обработки. Однако и матричный метод имеет недостаток: ослабленная структура исходного сырья не позволяет получить на выходе более прочные и долговечные изделия.
Третий метод – горячая штамповка – самый надежный способ изготовления корпуса шарового крана. Он подразумевает применение механического пресса с матрицей, где формование расплавленной латуни выполняется в соответствии с требованиями рабочей документации. Готовое изделие имеет высокое качество, в нем отсутствуют полости и неровности, поэтому дополнительная обработка деталей не требуется.
Производство корпуса шарового крана третьим методом осуществляется с использованием латуни специальной марки, в составе которой имеются различные легирующие элементы. С их помощью меняется структура латуни и физико-механические характеристики:
· Добавление в сплав алюминия позволяет снизить показатель летучести. Взаимодействие с кислородом приводит к образованию на поверхности оксида алюминия, поэтому летучесть материала исключается.
· Магний в сплав добавляется вместе с алюминием и железом. В результате повышается прочность, износостойкость материала и его устойчивость к коррозии.
· Введение никеля позволяет нейтрализовать последствия окислительных процессов.
· Добавление свинца делает материал более пластичным, ковким и более податливым механическому воздействию.
· Добавление олова сводит к минимуму риск появления очагов коррозии.

Какие материалы используются для изготовления кран шаровой муфтовой полнопроходной
По типу присоединения шаровые краны различают на:
- муфтовые;
- фланцевые;
- штуцерные;
- приварные.
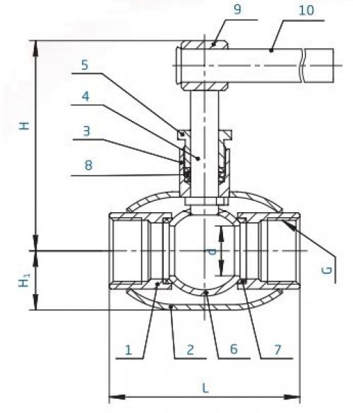
Кран шаровой муфтовый
Имеет внутреннее резьбовое присоединение. Благодаря этому резьбовому соединению муфтовый кран имеет меньшую строительную длину и массу.

Схема крана шарового муфтового
Преимущество крана в том, что для надежного соединения не нужны дополнительные крепежные элементы. Также он незаменим на тех участках трубопровода, где недостаточно места для работы гаечным ключом.
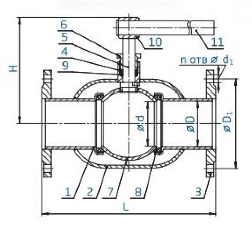
Кран шаровой фланцевый
Присоединяется к фланцам. Присоединение обеспечивается за счет двух фланцев, уплотнительного кольца, соединительных болтов и гаек.

Схема крана шарового фланцевого
Краны легко монтируются и обслуживаются, их можно многократно монтировать и демонтировать, при этом фланцевые краны имеют большие размеры и вес. Используются, как правило, на трубопроводах, где требуется частый монтаж и демонтаж кранов.
Кран шаровой штуцерный
Это кран с наружной резьбой, к которому присоединяется нипель с накидной гайкой. Конструкция обеспечивает небольшие размеры и вес изделия, при этом такой кран прост в обслуживании и монтаже.

Схема крана шарового штуцерного
Легко монтируются и обслуживаются, их можно многократно монтировать и демонтировать. В отличие от фланцевых кранов занимает меньше места и может устанавливаться в труднодоступных местах.
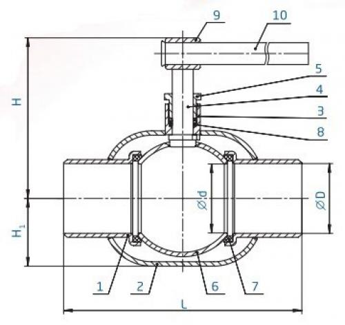
Кран шаровой приварной
Имеет концы под приварку. Такие краны имеют небольшой вес, герметично крепятся к трубе, однако сложно обслуживаются: их демонтаж и замена довольно трудоемки.

Схема крана шарового приварного
Предназначены для высокого давления рабочей среды, поэтому обладают высокой герметичностью перекрытия и прочностью соединения.
Как работает кран шаровой муфтовой полнопроходной
По способу присоединения к трубопроводу шаровые краны подразделяются на муфтовые, приварные и фланцевые.
Муфтовые
В конструкции таких шаровых кранов присутствует муфта, имеющая внутреннюю трубную цилиндрическую резьбу по ГОСТ 6357-81. При помощи этой муфты арматура и подсоединяется к трубопроводу. Отличительной особенностью кранов данного вида является коническая внутренняя резьба. Если Вы планируете купить шаровые краны на заказ, резьбу могут сделать метрической. Изготовление арматуры ведется согласно установленным стандартам, но при условии производства только одной партии можно отойти от требований ГОСТ.
Приварные
Такие краны присоединяются к трубопроводу с помощью сварки, что обеспечивает полную герметичность соединения, повышая его надежность. Обычно используются для систем с жидкой и газообразной рабочей средой. Главной особенностью такой арматуры является минимум требований к ее обслуживанию: не требуется подтяжка магистральных соединений фланцев. Основной минус – сложность демонтажа. Например, муфтовый кран достаточно просто откручивается, а приварной кран при необходимости заменяется только одновременно со всей арматурой.
Фланцевые
Присоединение такого крана к емкости или трубопроводу с жидкой или газообразной средой обеспечивается за счет фланцев. Арматура данного вида может использоваться многократно, поэтому является оптимальным вариантом, если требуется ее демонтаж и затем повторная установка. Благодаря такому способу присоединения обеспечивается прекрасная герметизация стыков. Качество затяжки необходимо периодически проверять, в противном случае кран может дать течь. При необходимости фланцы можно подтянуть. Главная особенность таких кранов – большие габариты и масса.
Какие типы устройств могут быть использованы вместе с кран шаровой муфтовой полнопроходной
Выбрать муфтовый шаровый кран хорошего качества можно по ряду признаков. Это:
- вес
- маркировка
- качество изготовления
Нерадивые производители запорной арматуры пытаются экономить как на количестве материала (тонкая стенка), так и на качестве (силумин вместо латуни). Во-первых, вес муфтового шарового крана должен соответствовать указанному в паспорте, во-вторых, он не должен сильно отличаться от изделий с аналогичными характеристиками в меньшую сторону.
Строго говоря, из двух кранов с одинаковой маркировкой лучше выбрать, который потяжелее. В-третьих, вес шарового крана не должен быть неправдоподобно легким. Для неответственных задач например на полив огорода, можно купить шаровый кран и подешевле. Но… только на полив огорода, где протечка не вызовет больших проблем.
К сожалению, определить разницу в весе между шаровыми кранами навскидку проблематично.
Маркировка муфтового шарового крана должна минмиально включать: торговый знак изготовителя, номинальный диаметр, присоединительный размер, максимальное рабочее давление.
Для примера, DN15 — номинальный внутренний диаметр 15 мм, ½ — присоединение с помощью трубной резьбы ½, PN40 — условное нормативное давление. Важно обратить внимание на качество маркировки. Все значки должны быть четкими, хорошо различимыми.
В противном случае есть большое подозрение на изношенность формы (известные производители такого не допускают) и на то, что шаровой кран — подделка.
Некоторые производители также указывают на изделии дату изготовления, марку латуни из которой он изготовлен. Чаще всего CW617N. Также, один и тот же производитель часто выпускает краны в различном исполнении (стандартные, усиленные, облегченные). Для ответственных мест, особенно на ввод, лучше купить усиленный муфтовый шаровой кран.
Качество изготовления — главный фактор надежности и долгосрочности шарового крана. Шар должен полностью перекрывать проход и полностью открываться. В открытом состоянии наружная поверхность сферы должна полностью находиться под корпусом. Поверхность сферы — ее можно посмотреть внутри при закрытом кране — должна быть гладкой и хорошо отполированной, без царапин.
Важно
Перед шаром должна быть видна тефлоновая уплотнительная прокладка. Самоконтрящаяся гайка должна плотно прижимать рукоятку. Между рукояткой и штоком не должно быть люфта. Изделие не должно притягивать магнит. Если магнит притягивается к изделию, это говорит о том, что в его составе присутствует железо (например, шар стальной, а не латунный). Такой долго не прослужит.
Какие факторы влияют на выбор кран шаровой муфтовой полнопроходной

Рассмотрим, как установить шаровой кран. Наметьте на трубопроводе место расположения устройства, отрежьте трубу, сделайте резьбу до 5 оборотов. С целью плотного соединения намотайте льняную или фум-ленту. Льняная веревка используется на металлические трубы, а фум-лента на пластиковые. Обмотку делайте в разумных пределах, чтобы не пришлось прилагать больших усилий для соединения элементов, иначе это может привести к поломке механизма. Слишком легкая стыковка элементов свидетельствует о недостаточности витков. Направление ленты должно совпадать с ходом нарезки.
Как правильно установить шаровой кран, если на корпусе есть специальная отметка? Это стрелка, показывающая направление движения жидкости. Монтировать запорный механизм необходимо в строгом соответствии указателя стрелки и движения воды. Иначе можно затопить соседей. После монтажа прокрутите ручку в разные стороны, убедитесь, что исправно двигается, и ничто не препятствует вращению. Откройте вентиль.
Рассмотрим, как правильно установить шаровой кран, если старый пришел в негодность. Сначала следует демонтировать поломанное устройство, очистить резьбовые углубления, сделать новую обмотку льняной веревкой или фум-лентой. Если труба слишком устаревшая, возможно истирание резьбы и в таком случае придется делать новую. Затем обмотать лентой и накрутить на 5 оборотов. Старайтесь намотку делать так, чтобы запор входил не очень легко, но и без больших усилий. Так как в первом случае возможна протечка воды, а во втором – изделие может треснуть.
Как правильно установить кран шаровой муфтовой полнопроходной

Краны шарового типа более надёжны по сравнению с классическими. Тем не менее, их элементы тоже со временем изнашиваются, поэтому они периодически требуют ремонта. Простота конструкции позволяет самостоятельно устранять поломки. Для этого требуется лишь наличие соответствующего инструмента и минимальные навыки владения им.
Конструкция
Чтобы разобраться в том, как починить текущий шаровой кран, нужно иметь представление о его конструкции. Основным элементом является поворотная ручка, при помощи которой регулируется температура и напор воды. Она крепится к корпусу винтом, скрытым под декоративной заглушкой. К ручке присоединён регулирующий шток.
В корпусе находится неразборный картридж, внутри которого располагается пустотелый шар с двумя входными и одним выходным отверстиями. Он удерживается при помощи уплотнительных сёдел. Перед тем, как починить шаровый кран, необходимо определить место поломки. Если неполадка возникла в картридже, то устранить её будет невозможно. Придётся менять весь узел.
Возможные неисправности
Чтобы знать, как починить текущий шаровой кран, рекомендуется ознакомиться со списком наиболее распространённых проблем. К ним относятся следующие неполадки:
- Появление трещин на корпусе. Такая поломка характерна для дешёвых моделей, изготовленных из материала низкого качества (силумина). В этом случае требуется полная замена крана. В качестве временной меры можно обработать трещину водостойким герметиком или холодной сваркой. Однако при первой возможности его необходимо заменить.
- Протечка воды. Чтобы понять, как починить шаровый кран, если он течёт, нужно выяснить причину выхода его из строя. Обычно она заключается в мельчайших частицах, которые попадают между резиновыми сёдлами и шаром. В результате нарушается герметичность и укорачивается срок службы сёдел.
- Слабый напор. В этом случае перед тем, как починить шаровый кран, следует проверить давление в системе водопровода. Если оно соответствует норме, то неисправность может заключаться в засорении сетчатого фильтра (аэратора). Для ремонта его нужно извлечь, почистить и поставить на место. Чтобы такие проблемы не возникали в будущем, на подводящие трубы устанавливают водяные фильтры. Также увеличить напор можно при помощи регулировки штока, соединяющего рычаг с шариком.
- Невозможность установить нужную температуру. Проблема обычно связана с засорением одного из отверстий картриджа. Решается методом чистки. В некоторых случаях приходится менять уплотнитель или картридж целиком.
Порядок ремонта

Перед тем, как починить шаровый кран, если он течёт, потребуется подготовить следующий набор инструментов:
- пассатижи;
- шлицевая отвёртка;
- разводной и шестигранный ключи;
- молоток.
Если капает шаровый кран, починить его можно только при соблюдении определённой последовательности действий. В первую очередь перекрывают подачу воды и сливают её остатки. Затем, ослабив винт, снимают поворотную ручку. Её плавно тянут вверх, одновременно покачивая. После этого отсоединяют подводящие шланги.
Крышку удаляют при помощи пассатижей, потом снимают и чистят пластиковые детали. Все элементы необходимо внимательно осмотреть, удалить ржавчину (например, "Жидким ключом") и известковый налёт (неабразивными чистящими средствами). Все поврежденные детали (деформированный шар, высохшие уплотнители и т.д.) следует заменить.
Сборка выполняется в обратном порядке. Начинают её с установки шара. Каждая деталь предварительно обрабатывается специальной смазкой. Собранный механизм проверяют на работоспособность.
Если капает шаровый кран, перед тем, как починить его, владельцам бюджетных моделей стоит задуматься о его замене. Следует учитывать, что каким бы профессиональным ни был ремонт, дешёвое изделие низкого качества вряд ли прослужит долго. Поэтому вскоре его в любом случае придётся менять.
Как проводить техническое обслуживание кран шаровой муфтовой полнопроходной
Схема устройства шарового крана.
Если с обычными вентильными кранами все более-менее ясно и понятно, то с шаровыми кранами могут возникнуть проблемы. Такой кран течет совершенно по другим причинам. Узнав, почему он течет, быстро устранить проблему будет легче. Обычный вентильный кран зачастую протекает из-за износа прокладки или сальника. И ремонт таких кранов не вызывает особых затруднений у большинства мужчин. Но по конструкции шаровой кран не имеет сальники и прокладки. Хотя это не означает, что он не подтекает! Просто причины протечки, а значит, и методы ремонта, отличаются от вентильных кранов. Поэтому вскрыв смеситель, и не обнаружив там прокладки, многие находятся в замешательстве и не знают, что делать дальше.
Наиболее частыми проблемами с шаровыми кранами, если не брать в расчет заводской брак и механические повреждения, становятся протечки, проблема регулировки температуры, а также ослабление напора.
Если кран течет, то причиной может стать попадание мусора, которого на кухне более чем достаточно, в картридж или же выход из строя какой-либо из частей системы. Это может быть и трещина на корпусе, и засорение картриджа, и засорение аэратора, и износ прокладок на золотнике. Все эти неисправности требуют ремонта. И к нему необходимо подготовиться, а также стоит внимательно следовать инструкциям, так как внутреннее устройство шарового крана крайне хрупкое и его легко повредить.