Кран шаровый стальной муфтовый: все, что нужно знать о прочных и надежных кранах
- Кран шаровый стальной муфтовый: все, что нужно знать о прочных и надежных кранах
- Связанные вопросы и ответы
- Что такое кран шаровый стальной муфтовый
- Какие материалы используются для изготовления крана шаровый стальной муфтовый
- Какие типы кранов шаровых стальных муфт существуют
- Какие характеристики должен иметь кран шаровый стальной муфтовый для работы в тяжелых условиях
- Как выбрать подходящий кран шаровый стальной муфтовый для вашей работы
- Какие преимущества имеет кран шаровый стальной муфтовый по сравнению с другими типами кранов
- Как часто нужно производить техническое обслуживание крана шаровый стальной муфтовый
- Какие правила безопасности следует соблюдать при работе с кран шаровый стальной муфтовый
- Как изготовить кран шаровый стальной муфтовый самостоятельно
- Какие компании предлагают краны шаровые стальные муфты на рынке
Кран шаровый стальной муфтовый: все, что нужно знать о прочных и надежных кранах
Шаровые краны классифицируют между собой по разным показателям, но особенно важно понимать разницу между материалом, из которого сделан шаровый кран.
Полипропиленовые шаровые краны . Устанавливают только на пластиковые водопроводные трубы с температурой потока не выше 65°С, иначе изделие деформируется. Материл дешевый, легкий и не подвергается коррозии, легко монтируется. В кране не бывает налёта, не накапливаются примеси. В качественных моделях запорный шар сделан из нержавеющей стали.

Но если кран предназначается для холодной воды или горячей выше 65°С, а давление будет больше 20 атмосфер, то полипропилен не подходит.
Стальные шаровые краны . Чаше применяют в промышленности и в жилищном строительстве. Высокие по стоимости. Большой срок эксплуатации.
Надёжны, так как производятся из углеродистой стали. Подходят для горячей воды и газа, но могут быть перебои в работе, если температура опускается – 40 °С. А вот шаровый кран из легированной стали выдерживает температуру до – 60°С.

Латунные шаровые краны . Используются преимущественно в бытовой сантехнике. Низкие по стоимости, устойчивы к повреждениям. Латунный шаровой кран отлично подходит для воды и газа. Максимальная рабочая температура - 150°С. Срок службы достигает 20-30 лет.

Одно «но»: нельзя допускать замораживания жидкости в кране, образовавшееся давление может привести к разрыву.
Бронзовые шаровые краны . Активно используются в быту. Это горячее и холодное водоснабжение, центральные системы газоснабжения. Не требуют особого технического обслуживания. Безопасны в работе, герметичны.
Бронзовые краны используются и в промышленности, где не агрессивная рабочая среда (например, пищевая) и температура не выше 150°С.
Чугунные шаровые краны . Модели изготовлены из серого (ковкого) чугуна. Схожи по характеристикам со стальными кранами, но при этом значительно выше по цене. Как результат — изделия из чугуна можно встретить редко, производители отказываются от такого типа.
Связанные вопросы и ответы:
Вопрос 1: Что такое кран шаровый стальной муфтовый
Ответ: Кран шаровый стальной муфтовый - это тип крана, который используется для перемещения грузов на определенное расстояние. Он состоит из стальной конструкции, на которой установлены шаровые подшипники, которые позволяют крану вращаться вокруг своей оси. Муфтовый кран имеет специальный механизм, который позволяет ему присоединяться к другим кранам или подъемным устройствам, чтобы перемещать более тяжелые грузы.
Вопрос 2: Какие типы грузов могут быть перемещены краном шаровым стальным муфтовым
Ответ: Кран шаровый стальной муфтовый может быть использован для перемещения различных типов грузов, включая строительные материалы, металлические конструкции, оборудование и другие тяжелые объекты. Он может работать как в условиях промышленного производства, так и на строительных площадках.
Вопрос 3: Какие характеристики следует учитывать при выборе крана шарового стального муфтового
Ответ: При выборе крана шарового стального муфтового следует учитывать его грузоподъемность, максимальную высоту подъема, диаметр и материал подшипников, а также наличие дополнительных функций, таких как противовесные механизмы или электропривод. Также важно учитывать размеры крана и его соответствие пространству, где он будет использоваться.
Вопрос 4: Как работает кран шаровый стальной муфтовый
Ответ: Кран шаровый стальной муфтовый работает на основе механизма, который позволяет ему вращаться вокруг своей оси. Шаровые подшипники, установленные на кране, обеспечивают плавное вращение и уменьшают трение. Муфтовый механизм позволяет крану присоединяться к другим кранам или подъемным устройствам, чтобы перемещать более тяжелые грузы.
Вопрос 5: Какие меры безопасности следует принимать при работе с краном шаровым стальным муфтовым
Ответ: При работе с краном шаровым стальным муфтовым следует соблюдать меры безопасности, такие как использование защитной одежды и обуви, соблюдение правил техники безопасности, а также регулярный технический осмотр и обслуживание крана. Также важно следить за работой крана и не допускать перегрузки или неправильного использования.
Вопрос 6: Какие преимущества имеет кран шаровый стальной муфтовый по сравнению с другими типами кранов
Ответ: Кран шаровый стальной муфтовый имеет ряд преимуществ по сравнению с другими типами кранов. Он обладает высокой надёжностью и долговечностью, а также позволяет перемещать грузы на большие расстояния. Шаровые подшипники обеспечивают плавное вращение и уменьшают трение, что позволяет крану работать более эффективно. Муфтовый механизм позволяет крану присоединяться к другим кранам или подъемным устройствам, что делает его более гибким и универсальным.
Что такое кран шаровый стальной муфтовый
По типу присоединения шаровые краны различают на:
- муфтовые;
- фланцевые;
- штуцерные;
- приварные.
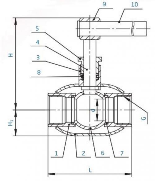
Кран шаровой муфтовый
Имеет внутреннее резьбовое присоединение. Благодаря этому резьбовому соединению муфтовый кран имеет меньшую строительную длину и массу.

Схема крана шарового муфтового
Преимущество крана в том, что для надежного соединения не нужны дополнительные крепежные элементы. Также он незаменим на тех участках трубопровода, где недостаточно места для работы гаечным ключом.
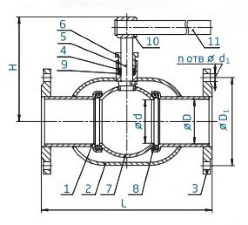
Кран шаровой фланцевый
Присоединяется к фланцам. Присоединение обеспечивается за счет двух фланцев, уплотнительного кольца, соединительных болтов и гаек.

Схема крана шарового фланцевого
Краны легко монтируются и обслуживаются, их можно многократно монтировать и демонтировать, при этом фланцевые краны имеют большие размеры и вес. Используются, как правило, на трубопроводах, где требуется частый монтаж и демонтаж кранов.
Кран шаровой штуцерный
Это кран с наружной резьбой, к которому присоединяется нипель с накидной гайкой. Конструкция обеспечивает небольшие размеры и вес изделия, при этом такой кран прост в обслуживании и монтаже.

Схема крана шарового штуцерного
Легко монтируются и обслуживаются, их можно многократно монтировать и демонтировать. В отличие от фланцевых кранов занимает меньше места и может устанавливаться в труднодоступных местах.
Кран шаровой приварной
Имеет концы под приварку. Такие краны имеют небольшой вес, герметично крепятся к трубе, однако сложно обслуживаются: их демонтаж и замена довольно трудоемки.

Схема крана шарового приварного
Предназначены для высокого давления рабочей среды, поэтому обладают высокой герметичностью перекрытия и прочностью соединения.
Какие материалы используются для изготовления крана шаровый стальной муфтовый
На заводе УЗТА изготавливают стальные, стальные хладостойкие, а также нержавеющие шаровые краны.
Материал корпуса
Для стального шарового крана материалом изготовления служит углеродистая сталь ( ст.20 , например). Такой кран применяется в промышленности и сфере ЖКХ. Кран из стали обладает невысокой ценой, широкой линейкой моделей. Кроме того, такой кран устойчив к механическим воздействиям. Из недостатков — не подходит для использования при низких температурах (ниже -40°C), а также для эксплуатации в слабоагрессивных средах.
Из стали 09Г2С изготавливают стальные хладостойкие краны, они, в отличие от просто стальных, могут эксплуатироваться при температуре до -60°C, а также в средах, содержащих сероводород.
Нержавеющий шаровой кран изготавливают, как правило, из стали 12Х18Н10Т. Такие краны можно использовать в большинстве кислотных и щелочных сред, при температуре до -60°С. Стоят такие краны существенно дороже.

Кран шаровой ст. 20
Также бывают
Латунный шаровой кран изготавливается из латуни и, как правило, используется в сантехнике. Его основные достоинства - это невысокая цена, большой выбор исполнений, хорошие эксплуатационные характеристики. К недостаткам можно отнести небольшой диаметр, невысокую температуру эксплуатации (до 200°C). Кроме того, краны из латуни не подходят для нефтепродуктов.
Чугунные шаровые краны не имеют преимуществ относительно стальных, стоят дороже и почти не производятся на сегодняшний день.
Пластиковые шаровые краны изготавливаются из полипропилена. Такие краны долговечны, стоят недорого и мало весят, но могут монтироваться только на пластиковые трубы.
Латунные, чугунные и пластиковые краны завод УЗТА не изготавливает.
Какие типы кранов шаровых стальных муфт существуют
Шаровые краны можно поделить на несколько типов в зависимости от разных характеристик и типа подсоединения.
По направлению потока среды различают шаровые краны:
- угловые, монтируемые в труднодоступных местах с изгибом;
- проходные, не меняющие направление потока рабочей среды;
- трехходовые с двумя входными патрубками и одним выходным, а также четырехходовые с тремя входными патрубками. Они применяются для разветвления магистральной линии трубопровода или смешивания потоков в один.
По проходимости краны шаровые бывают:
- Неполнопроходные. У них диаметр отверстия меньше трубопровода, в который они монтируются. Такие изделия обеспечивают проход в 50–80% потока, а также имеют больший коэффициент гидравлического сопротивления. Они могут применяться, если небольшое снижение напора не критично для системы, поэтому их используются в быту при монтаже сантехники или бытовой техники. Они просты в эксплуатации, отличаются низкой стоимостью и быстрым перекрытием потока.
- Полнопроходные , обеспечивающие от 80 до 100% прохода потока рабочей среды. У таких деталей размер проходного отверстия соответствует диаметру трубопровода, на который он устанавливается. Они отличаются малым коэффициентом гидравлического сопротивления, минимальной потерей напора. При этом стоимость изделий высокая, так что их применяют на трубопроводах с установленным диагностическим оборудованием и очистительными системами.
По способу управления:
- Ручные, управляемые с помощью ручки-бабочки или рычага.
- Приводные, оснащенные электрическим или пневматическим приводом.
- С механическим редуктором, монтируемым на краны с сечением более 300 мм. Иногда такие устройства устанавливаются на изделия с меньшими габаритами для обеспечения более плавного закрытия потока.
По типу присоединения к трубопроводу различают шаровые краны:
- Приварные , которые привариваются к трубопроводу с помощью сварочного аппарата. Их устанавливают там, где требуется максимальное усиление безопасности и надежности монтажа, а также в труднодоступных местах. Краны с этим соединением не подходят для работы с агрессивными и химически активными средами из-за возможных неисправностей. К поломке также может привести чрезмерно высокое давление. Приварные шаровые краны выпускаются из стали. Они отличаются простой конструкцией и хорошими показателями герметичности. Основной недостаток — непригодность к ремонту и сложность демонтажа (при необходимости снять кран придется срезать его вместе со всей арматурой).
- Фланцевые , используемые при монтаже трубопроводов различного назначения, в том числе и для транспортировки жидкости, газа. Они устанавливаются с помощью фланцевого соединения. По типу монтажа краны бывают разборными и неразборными. В первом случае есть возможность замены отдельных элементов системы.
- Муфтовые , используемые при транспортировке различных жидкостей, газа в промышленных и бытовых целях. Они просты в эксплуатации и установке. По типу конструкции различают монолитные, двух- и трехсоставные изделия.
Какие характеристики должен иметь кран шаровый стальной муфтовый для работы в тяжелых условиях
Самостоятельные монтажные работы по установке шарового муфтового крана могут быть выполнены следующими способами:
- фланцевая установка, предполагающая накладку плоского кольца с отверстиями для болта с двух сторон крана, и последующую стыковку с фиксацией посредством затягивания болтов;
- резьбовая установка, при которой осуществляется монтаж запорно-регулирующего узла на трубу при помощи нанесенной резьбы;
- сварная установка, заключающаяся в приваривании арматуры к участку трубопровода, что позволяет получить прочное и надёжное соединение, но делает достаточно сложным выполнение демонтажных или ремонтных мероприятий.
Арматуру с небольшим диаметром рекомендуется монтировать в местах с быстрым и удобным доступом для проведения профилактики и техобслуживания.
Процесс монтажа предполагает соблюдение техники безопасности, включая слив из трубопровода, сделанного, например, из полипропиленовых труб, армированных стекловолокном (характеристики), рабочей среды, с последующим перекрытием системы.
Все участки стыковки требуется подвергнуть тщательной очистке от загрязнений.
Установка должна осуществляться без перекосов или сжатий.
При наличии избыточных нагрузок на запорно-регулирующую арматуру, рекомендуется дополнять монтаж специальными компенсаторами.
Что такое кран шаровый, муфтовый, нержавеющий, где он применяется, в каких трубопроводах устанавливается, в чем преимущество — ответы на эти вопросы вы узнаете, посмотрев виедоролик.
Как выбрать подходящий кран шаровый стальной муфтовый для вашей работы
Выбрать муфтовый шаровый кран хорошего качества можно по ряду признаков. Это:
- вес
- маркировка
- качество изготовления
Нерадивые производители запорной арматуры пытаются экономить как на количестве материала (тонкая стенка), так и на качестве (силумин вместо латуни). Во-первых, вес муфтового шарового крана должен соответствовать указанному в паспорте, во-вторых, он не должен сильно отличаться от изделий с аналогичными характеристиками в меньшую сторону.
Строго говоря, из двух кранов с одинаковой маркировкой лучше выбрать, который потяжелее. В-третьих, вес шарового крана не должен быть неправдоподобно легким. Для неответственных задач например на полив огорода, можно купить шаровый кран и подешевле. Но… только на полив огорода, где протечка не вызовет больших проблем.
К сожалению, определить разницу в весе между шаровыми кранами навскидку проблематично.
Маркировка муфтового шарового крана должна минмиально включать: торговый знак изготовителя, номинальный диаметр, присоединительный размер, максимальное рабочее давление.
Для примера, DN15 — номинальный внутренний диаметр 15 мм, ½ — присоединение с помощью трубной резьбы ½, PN40 — условное нормативное давление. Важно обратить внимание на качество маркировки. Все значки должны быть четкими, хорошо различимыми.
В противном случае есть большое подозрение на изношенность формы (известные производители такого не допускают) и на то, что шаровой кран — подделка.
Некоторые производители также указывают на изделии дату изготовления, марку латуни из которой он изготовлен. Чаще всего CW617N. Также, один и тот же производитель часто выпускает краны в различном исполнении (стандартные, усиленные, облегченные). Для ответственных мест, особенно на ввод, лучше купить усиленный муфтовый шаровой кран.
Качество изготовления — главный фактор надежности и долгосрочности шарового крана. Шар должен полностью перекрывать проход и полностью открываться. В открытом состоянии наружная поверхность сферы должна полностью находиться под корпусом. Поверхность сферы — ее можно посмотреть внутри при закрытом кране — должна быть гладкой и хорошо отполированной, без царапин.
Важно
Перед шаром должна быть видна тефлоновая уплотнительная прокладка. Самоконтрящаяся гайка должна плотно прижимать рукоятку. Между рукояткой и штоком не должно быть люфта. Изделие не должно притягивать магнит. Если магнит притягивается к изделию, это говорит о том, что в его составе присутствует железо (например, шар стальной, а не латунный). Такой долго не прослужит.
Какие преимущества имеет кран шаровый стальной муфтовый по сравнению с другими типами кранов
Краны шарового типа выполняют функции запорной арматуры, которая применяется на трубопроводах наружного типа. К одним из наиболее востребованных разновидностей шаровых кранов являются модели, выполненные под приварку. С их помощью можно без труда перекрыть движущийся поток рабочей среды, который находится внутри магистрали.
В качестве такой среды могут выступать агрессивные среды, спиртовые растворы, воздух, газ природного происхождения, вода, продукты питания и нефтепродукты. Данные модели характеризуются своеобразным типом соединения – под сварку, что говорит о том, что для осуществления соединения использовался сварочный аппарат. Никаких разъемных деталей устройство не имеет (муфты, фланцы), что и гарантирует столь высокий показатель плотности соединений и сведение возможных протечек к минимуму.
Что собой представляет
Шаровые краны приварного типа относятся к категории современных конструкций запорной арматуры, которые монтируются на магистрали трубопроводов посредством использования сварного метода, что гарантирует длительный эксплуатационный срок обустраиваемого участка. Размеры имеют небольшие, однако применяются для осуществления перекрытия движения рабочего потока на выбранном участке. В качестве основного запорного элемента используется шар, который имеет сквозное отверстие, через которое и будет проходить поток. Такой тип устройств применяется при обустройстве магистралей, отвечающих за транспортировку сжатого воздуха, щелочей, нефтепродуктов, пара, воды и других густых сред с определенным показателем консистенции и температуры.
Принято их монтировать на труднодоступных участках или на трубопроводах, месторасположение которых находиться ниже уровня грунта или окруженных водой. Также используются в тех случаях, когда образования течи по резьбовому соединению необходимо избежать любыми способами. Такие типы кранов принято использовать при обустройстве насосных и тепловых станций, некоторых видов котельных, в энергетике и промышленности. При соблюдении базовых правил эксплуатации, возможных протечек можно с легкостью избежать.
Конструктивные особенности
Шаровые краны представляют собой категорию систем, в основе которых применяется элемент, имеющий сферическую форму, который способен поворачиваться на 90° и с проделанным в нем сквозным отверстием. Для изготовления шара зачастую используется латунь и применяется для перекрытия основного потока внутри системы. При смещении рукояти крана происходит смещение используемого механизма, таким образом и осуществляется полное перекрытие потока. Шаровый кран состоит из такого набора элементов:
- уплотнители для сферы, которые изготавливаются из тефлона;
- шток;
- стальной оцинкованный винт;
- хромированная металлическая сфера со сквозным отверстием;
- рычаг для осуществления поворота;
- резиновые уплотнители;
- цельный металлический корпус.
Такой тип конструкции признан одним из наиболее простых устройств, которые используются для решения бытовых проблем, связанных с подачей холодной воды. Однако муфтовый тип соединения считается чуть более эффективным решением, что дает возможность участку магистрали выдерживать существенные нагрузки. Такие элементы часто встречаются на магистралях, отвечающих за транспортировку горячего водоснабжения.
Преимущества подобных агрегатов
Любой отечественный производитель, который занимается изготовлением арматуры запорного типа, имеет в своем ассортименте изделия одновременно нескольких типов соединения. Приварной кран исключением из правил не стал. Спрос на такие агрегаты высокий и по сей день, ведь применяется он не только в хозяйственной деятельности, но и в быту. К наиболее очевидным достоинствам следует отнести такие факторы:
- Внутренняя поверхность изделия полностью однородная. Кран приварного типа монтируется на выбранный участок магистрали посредством электродов указанной марки. Стандартные методы применимы только при наличии обычных труб. В том случае, если используется материалы, изготовленные из нержавейки, то необходимы электроды соответствующей категории.
- Уплотнители не используются. В этом случае говорить о снижении показателя герметичности не стоит, как и протечках, которые не являются редкостью для участков, где совершалось присоединение.
- Высокий показатель прочности. Здоровую конкуренцию способен предоставить только агрегат, в котором применялся муфтовый тип соединения, однако недостатков он также не лишен.
- Доступная стоимость. Кран, изготовленный по этой технологии, имеет простую конструкцию.
- Отсутствие каких-либо вспомогательных элементов. Понадобится лишь аппарат для сварки.
- Быстрота проводимых монтажных работ. Если привлекается специалист, то для создания необходимых швов ему понадобится лишь несколько минут.
Как часто нужно производить техническое обслуживание крана шаровый стальной муфтовый
| Группа режима работы крана | Основные показатели системы технического обслуживания | ||||
|---|---|---|---|---|---|
| Структура межремонтного цикла | ЕО | ТО-1 | ТО-2 | ||
| периодичность | продолжительность, мин, не более | периодичность, дни, не более | продолжительность, ч, не более | периодичность, дни, не более | продолжительность, ч, не более |
М - малый ремонт; ЕО - выполняется силами крановщика; ТО-1, ТО-2 и СО осуществляются крановщиком с привлечением слесаря-механика и электромонтера.
Группа режима работы крана определяется по ГОСТ 25546: 2К - легкий режим, 5К- средний режим, 6К и 7К - тяжелый режим.
Вместе с тем общий характер этих требований можно представить на примере Руководства по эксплуатации мостовых электрических кранов общего назначения (3151100 РЭ) с одним и двумя крюками грузоподъемностью от 5 до 50 т, управляемых из кабины или с пола.
Согласно этому Руководству техническое обслуживание кранов при их эксплуатации производится в межремонтные периоды без детальной разборки механизмов и включает в себя смазку, чистку, регулировку, подтяжку крепежа, осмотр и контроль.
Для этого типа кранов, как и для других типов, рекомендуются следующие виды технического обслуживания: ежесменное техническое обслуживание - ЕО, техническое обслуживание ТО-1 и ТО-2, сезонное техническое обслуживание - СО (табл. 1).
ЕЖЕСМЕННОЕ ТЕХНИЧЕСКОЕ ОБСЛУЖИВАНИЕ – ЕО
При ежесменном техническом обслуживании необходимо провести следующие работы:
- осмотреть обе нитки крановых путей, проверить состояние тупиковых упоров, отклоняющих линеек, лотка для укладки кабеля;
- убедиться в отсутствии посторонних предметов на крановых путях, а также в непосредственной близости от рельсов;
- очистить механизмы передвижения от грязи;
- снять кожухи приводов механизмов передвижения, проверить затяжку болтов крепления двигателей, редукторов и тормозов;
- проверить вручную исправность тормозов;
- убедиться в отсутствии течи масла из редукторов, зубчатых муфт и электрогидротолкателей;
- установить кожухи;
- осмотреть нижние части стоек опор;
- осмотреть токоподводящий кабель, проверить сохранность изоляции и исправность концевых креплений кабеля;
- проверить исправность противоугонных рельсовых захватов;
- проверить исправность крюковой подвески - фиксацию гайки крюка, отсутствие трещин на крюке, исправность предохранительной защелки крюка, плавность вращения крюка, отсутствие повреждений блоков, правильность расположения канатов на блоках;
- включить электропитание крана и подняться в кабину управления, включить внутреннее освещение в кабине (если работы проводятся в темное время), а зимой включаются также отопительные приборы;
- ознакомиться с записями в вахтенном журнале, проверить исправность звуковой сигнализации, включить и проверить внешнее освещение;
- проверить наличие в кабине изоляционного коврика, аптечки, огнетушителя, емкости с питьевой водой, состояние остекления и при необходимости очистить стекла;
- проверить установку рычагов управления в нейтральное положение;
- подняться на мост крана и осмотреть узлы примыкания концевых балок к пролетным, очистить проходы и площадки от грязи, убедиться в отсутствии посторонних предметов на проходах и площадках, проверить наличие и исправность ограждений, переходных площадок и галерей;
- в механизмах подъема груза и передвижения тележки проверить исправность редуктора, тормоза, муфты и двигателя;
- в механизмах подъема груза проверить состояние канатов, правильность их укладки в ручьях блоков и барабанов, надежность крепления на барабане;
- произвести внешний осмотр электрических аппаратов пусковых сопротивлений и концевых выключателей;
- проверить состояние троллейных токоприемников и отсутствие повреждений гибких кабелей (состояние токоприемников главных троллеев проверяется крановщиком только визуально, без захода за ограждения);
- включить рубильник защитной панели и линейный контактор, исключить действия противоугонных захватов или приспособлений;
- опробовать вхолостую работу всех механизмов крана, проверить действие тормозов;
- сделать запись в вахтенном журнале о приеме смены.
Какие правила безопасности следует соблюдать при работе с кран шаровый стальной муфтовый

Установка шаровых кранов в технологическую линию должна проводится исключительно с учетом требований проекта, а также распространенных стандартов. Основными рекомендациями назовем нижеприведенные моменты:
- На момент проведения работы категорически запрещается проводить фиксацию устройства за рукоятку или другие технологические элементы. Это связано с тем, что оказываемая нагрузка может привести к весьма серьезным последствиям. Даже незначительная деформация штока становится причиной снижения герметичности всего устройства.
- Проводить сварочные работы можно исключительно в открытом положении устройства. При этом нужно убедится в том, что внутри не будет различных загрязнений, которые могут попасть внутрь при транспортировке.
- На момент выполнения сварки рекомендуется снять рукоятку. Часто при ее изготовлении применяется материал, который может пострадать от попавших капель раскаленного материала.
- При монтаже в вертикальном положении сварка верхнего шва проводится в полностью открытом положении. Нижний шов получается при полностью закрытом положении, что позволяет исключить вероятность появления эффекта обратной тяги теплого воздуха.
- При диаметре в диапазоне от 10 до 125 миллиметров рекомендуется использовать электрическую сварку, при большем показателе это условие обязательно.
- Скос трубы должен идеально подходить для запорного элемента. Именно поэтому в случае низкого качества поверхности проводится срезание конца и его тщательная подготовка.
- При непосредственной сварке нужно уделять внимание тому, чтобы корпус крана не нагревался. Это связано с тем, что слишком высокая температура может привести к весьма плачевным последствиям. Считается перегревом нагрев корпуса до температуры 100 градусов Цельсия в зоне расположения седла. Стоит учитывать, что в большинстве случаев применяется специальная охлаждающая жидкость и смоченная ткань. Сварка может проводится в несколько этапов для снижения вероятности перегрева поверхности. Повышение пластичности становится причиной деформации поверхности и потери герметичности всей конструкции.
- После получения шва на протяжении длительного периода запрещается проводить открытие и закрытие арматуры. Делать это можно исключительно после того, как поверхность полностью остыла. В противном случае внутренние элементы могут быть повреждены.
- Строительная длина патрубков не должна быть укорочена. Это связано с тем, что она выбирается с учетом вероятности нагрева основной конструкции.
Как изготовить кран шаровый стальной муфтовый самостоятельно
Этот вид кранов крепится к оборудованию муфтами с внутренней резьбой. Резьба может быть цилиндрической, а также конической. Открыть такой кран очень просто. Поверните рукоятку (должна быть параллельна трубе) против часовой стрелки до упора. Поворот против часовой закроет кран.

Область применения:
- Системы водо- и теплоснабжения, используемые в хозяйстве;
- Системы, предназначенные для перемещения газа и жидкостей.
Виды конструкций:
- Монолит (однокорпусный). Главной особенностью является низкая цена;
- Двухсоставной. Как видно из названия, он состоит из двух частей: корпус и муфта;
- Разборной (трёхсоставной). Его конструкция позволяет слегкостью произвести ремонт собственными руками, а также возможна уплотняющая вставка.
Для того чтобы правильно выбрать муфтовый шаровой кран,необходимо знать, в каких целях он приобретается. А самое главное посмотреть его характеристики, такие как:
- Какая будет температура у жидкости, проходящей через кран;
- Давление в трубе;
- Материал;
- Диаметр трубы.
Знание этих характеристик поможет не ошибиться при выборе.
Как правильно установить муфтовый кран своими руками?
Для начала необходимо избавиться от загрязнений. Помещение, в котором производится установка, обязательно должно быть закрытым. Не устанавливайте кран, если трубы вибрируют.
Этот вид кранов крепится к оборудованию муфтами с внутренней резьбой. Резьба может быть цилиндрической, а также конической. Открыть такой кран очень просто. Поверните рукоятку (должна быть параллельна трубе) против часовой стрелки до упора. Поворот против часовой закроет кран.
Выбор муфтового шарового крана
Для того чтобы правильно выбрать муфтовый шаровой кран, необходимо знать, в каких целях он приобретается. А самое главное - посмотреть его характеристики, такие как:
- Максимальное давление
- Максимальный расход
- Температурный диапазон
- Материал изготовления
Знание этих характеристик поможет не ошибиться при выборе.
Установка крана
Для начала необходимо избавиться от загрязнений. Помещение, в котором производится установка, обязательно должно быть закрытым. Не устанавливайте кран, если трубы вибрируют.
Сборка крана:
- Берем льняную нить, ширина которой равна ширине крана, адлина в полтора-два раза больше количества витков на резьбе;
- Отмеряем примерно шесть сантиметров от начала льняной нити, далее слегка скручиваем ее и кладем на первую прорезь резьбы. В этом месте нить закрепляем и наматывает по направлению часовой стрелки. Необходимо наматывать плотно и так, чтобы нить была в каждой прорези;
- После того как вся резьба была обмотана, наматываем второй слой от конца к началу. Оставьте шесть сантиметров нити и намотайте их по всейрезьбе по часовой стрелке;
- Теперь понадобится герметик. Его необходимо нанести наповерхность нити;
- Вручную накручивает все части между собой и затягивает гаечным ключом. Если всё сделано правильно, то кран обернется на полтора-два оборота.
Преимущетва и недостатки
Главные плюсы:
- Маленькая стоимость;
- Небольшие массогабаритные характеристики;
- Универсальная конструкция;
- Большой срок эксплуатации;
- Устанавливается в любом положении;
- Поток перекрывается герметично;
- Нет необходимости в тех. обслуживании.
Главные минусы:
- Для закрытия, понадобятся рычаги большой длины или дорогостоящие электрические приводы;
- При резком открытии возможен гидравлический удар;
- Нельзя использовать при температуре жидкости от 100 оС ибольше, при давлении больше шестнадцати бар и ширине равной 100мм и больше.
- Установка требует большой аккуратности, в противном случае возможно возникновения скачков давления, что может в некоторых случаях можетпривести либо к поломкам самого крана, либо его частей.
Какие компании предлагают краны шаровые стальные муфты на рынке
Список российских производителей шаровых кранов.

- Краны ALSO . Активно развивающиеся завод кранов шаровых. Представлена большая линейка стальных кранов. Краны шаровые завода ALSO являются качественным закончены продуктом. Рекламации очень редки.
- Краны TEMPER . Завод который производит хорошие краны. Краны шаровые Temper зарекомендовали себя как добротный продукт. Завод специализируется на стальных кранах.
- Краны LD . Самый большой завод в России, огромные площади и склады. Полный цикл изготовления кранов шаровых.
- Краны LD Pride . Подразделения Завода LD, специализирующегося на латунных кранах.
- Краны Маршал . Огромный завод который базировался в Луганске. Помимо обычных и стандартных шаровых кранов, производит так же под заказ практически любые краны.
- Краны Динамика . Достаточно не давно запустили линию по производству шаровых кранов. Завод в основном специализируется на клапанах. Качество продукции очень хорошее.
- Краны DENDOR . Завод специализироваться на разной запорной арматуре. Краны шаровые Дендор отличаются качественной покраской.
- Краны БАЗ . Бологовский Арматурный завод находиться в г Бологое. Одни из самых старых заводов России. Сейчас производят латунные краны отличного качества.
- Краны УЗТА . Уральский Завод Трубопроводной Арматуры. Особенностью шаровых кранов УЗТА является антивандальное исполнение.
- Краны Химприбор . Не большой завод производящий шаровые краны. Изготавливаются только под заказ. Завод уделяет много внимания для выпуска качественной продукции.
- Краны Бивал. Компания ADL поставляет на российский рынок огромное количество продукции, а так же краны шаровые под брендом Бивал.
- Краны ГАЛЛОП . ГАЛЛОП поставляют латунные краны. И являются хорошим аналогом 11б27п.
- Краны ПТПА . Пензтяжпромарматура. Завод специализируется на кранах специального назначения.
- Краны Пензапромарматура . Основная сфера применения продукции – промышленные предприятия, предприятия отрасли ЖКХ. Линейка шаровых латунных кранов, состоит из кранов шаровых проходной 11б27п.00, трёхходовой с краном Маевского 11б27п(м).
- Краны ККАЗ . Краснокутский Арматурный завод. ККАЗ изготавливает трехходовые латунные пробковые краны.
Сожалению не все Российские производители попали в этот список, но мы будем постепенно дополнять его.