Фланцевые шаровые краны. Преимущества
Фланцевые шаровые краны. Преимущества
Арматура неприхотлива, а значит много где применяется, так как техобслуживание ее минимально. Несложная, но надежная конструкция, обуславливает простоту установки, использования, демонтажа. Кроме перечисленного, есть много других плюсов.
- С помощью простого ручного управления фланцевые шаровые запорные элементы быстро перекрываются для предотвращения потока жидкости или газа. Примером служат краны danfoss фланцевые.
- Краны шаровые фланцевые устанавливают даже на трубопроводах, по которым транспортируются жидкие и вязкие, паро- или газообразные субстраты.
- В открытом виде такая арматура не уменьшает проходной диаметр трубопровода, поэтому ее гидравлическое сопротивление в пять - семь раз ниже относительно других типов.
- При эксплуатации шаровых кранов, благодаря простой форме рукавной части, по которой течет поток, в устройствах не возникает застойных зон. Такую конструкцию демонстрируют краны danfoss фланцевые.
- Краны шаровые фланцевые имеют небольшие габаритные размеры, герметичность, удобство использования и небольшое время, которое тратится на поворот рукоятки, позволяют использовать шаровые краны в среде, где требуется быстрое перекрытие утечки.
- При изготовлении фланцевых кранов из нержавеющей стали обеспечивается защита шаровых кранов от накипи и коррозии, поэтому увеличивается его срок службы.
- Шаровые краны - это простота изготовления. Отсюда и определяется низкую цена.
Краны стальные шаровые ручные фланцевые DZT. Краны стальные шаровые DZT – легкий поворот к европейскому качеству
Конструкция шаровой арматуры была известна еще более 100 лет назад. Однако в промышленном масштабе первые шаги шаровая арматура начала делать в 80-е годы прошлого века, когда основой эффективного производства стали высокая скорость резания металлов и применение высококачественных полимеров. Развитие производства шаровой арматуры шло семимильными шагами. И сегодня уже можно на примере многочисленных производителей определить основные черты организации высококлассного производства самого многочисленного представителя шаровой арматуры – крана шарового стального. Все черты передового производства являются неотъемлемой частью европейского производителя запорной арматуры – концерна BROEN. Воплощением подлинного европейского качества является один из заводов концерна завод BROEN S.A. в Польше. Краны стальные шаровые, которые производятся этим заводом с 1993 года, выпускаются под брендом DZT. Итак, черты, присущие лидеру производства шаровой арматуры. 1. Конструктивное исполнение крана шарового DZT и качественный состав применяемых материалов. Краны шаровые стальные DZT воплощают в себе лучшие разработки в производстве шаровой арматуры. Главный элемент запорного органа – это шар сфера с отверстием, выполняющий роль плавающей пробки. В кранах DZT шар выполнен из нержавеющей стали марки X6CrNi18-10 (ГОСТ 5632-72 сталь коррозионно-стойкая жаропрочная 08Х18Н10). Он размещается в опорах (седлах), которые конструктивно являются одновременно и герметизирующими уплотнителями. Отсюда – высокое требование к уплотнительному материалу: износостойкость, малое температурное расширение, низкая адгезия, низкий коэффициент трения скольжения. Идеальный материал для этого – политетрафторэтилен (тефлон). Однако для эксплуатации в горячих средах (до 200 ˚С) «чистый» тефлон непригоден. Поэтому в кранах DZT используется только тефлон с добавлением 20% углерода. Благодаря такой добавке уплотнитель сохраняет все необходимые свойства при высоком давлении и температуре. А это – залог исправной работы запорного органа, который дает герметичность класса А.Краны стальные газовые шаровые фланцевые давление. 6 мпа 16 кгс/см2 11с67п диаметром 80 мм. Кран шаровый стальной 11с67п
Кран шаровый стальной 11с67п предназначен для перекрытия потоков различных сред, в качестве запорной арматуры на номинальное давление 1,6 МПа (16 кгс/см2).
Выбирая цельносварной затвор 11с67п , покупатели могут рассчитывать на отличную прочность и износостойкость механизма, при этом его цена при условии заказа у нашей компании будет весьма разумной. Имея разборный тип корпуса, данный клапан представляется чрезвычайно удачным решением с практической точки зрения, поскольку периодический осмотр и техническое обслуживание могут осуществляться без полного демонтажа.
Стаднартноприварная модель 11с67п приспособлена к инсталляции, как в вертикальном, так и в горизонтальном положении, поэтому может использоваться как запорный механизм на трубопроводах различного функционального назначения. В числе дополнительных преимуществ стоит отметить принадлежность к классу герметичности А, что связано с наличием фторопластового уплотнения, а также легкость ручного управления, а также возможность регулировать положение запирающей детали извне.
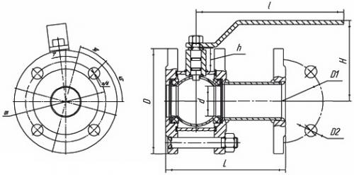
Данная деталь обладает высокой прочностью, ведь корпус сделан из стали с нержавеющим шаром. Кроме того, затвор уплотнения сделан из фторопласта-4, а уплотнение шпинделя из резины ИРП-1345. Кран стальной 11с67п может применяться в трубопроводах, работающих с водой, паром и даже нефтепродуктами, при этом использует фланцевый тип соединения. По способу управления, кран является ручным. Корпус имеет свои особенности, а именно то, что его строительная длина совпадает с длиной соответствующей стальной задвижки Py 16. Кран стальной 11с67п имеет класс А герметичности по ГОСТ 9544-93. Его рабочее давление 16 кгс/см2, а температурный режим работы до 150 °C.
К услугам наших заказчиков современный шаровой кран 11с67п , который отлично подходит как для водо- и теплопроводов, так и для трубопроводов с более агрессивными средами. Компактность и многообразие вариантов использования как нельзя лучше свидетельствует о том, что подобный механизм является выгодным приобретением.
Технические характеристики:
- материал корпуса: сталь 20, с нержавеющим шаром;
- материал уплотнения затвора: фторопласт-4;
- материал уплотнение шпинделя: резина ИРП-1345;
- рабочая среда: вода, пар, природный газ, нефтепродукты;
- тип присоединения: фланцевый;
- способ управления: ручной;
- тип рукоятки: рукоятка;
- конструкционные особенности: малая строительная длина;
- класс герметичности: «A» по ГОСТ 9544-93;
- давление условное Ру: 16 кгс/см2(1,6 МПа);
- температура рабочей среды: от -30 до +150 °C;
- область применения: для установки на трубопроводах в качестве запорного устройства.


