Принцип работы трехходового крана. Сферы применения
- Принцип работы трехходового крана. Сферы применения
- Принцип работы трехходового крана esbe. Виды и отличия
- Принцип работы трехходового крана навьен. Назначение трехходового клапана для отопительного котла
- Для чего нужен трехходовой кран между сосудом и манометром. В каких случаях используют такое устройство, как трехходовой кран для манометра
- Видео трехходовые шаровые краны
Принцип работы трехходового крана. Сферы применения
Трехходовой клапан, принцип работы которого был рассмотрен выше, обладает достаточно широкой сферой применения. Так, такие его разновидности, как электромагнитное устройство или же прибор с термоголовкой, часто встречаются в современных магистралях, где требуется корректировка пропорций при смешивании двух разделенных потоков жидкости, но без снижения мощности или объема.
Что же касается использования в быту, то самым популярным здесь считается термостатический смесительный прибор, с помощью которого, как уже отмечалось выше, можно регулировать температуру рабочей жидкости. Эта жидкость может подаваться как в трубопровод «теплого пола», так и в отопительные радиаторы. А если клапан еще и имеет автоматическое управление, то контролировать температуру в жилище можно будет без каких-либо проблем!
Обратите внимание! Применение трехходового клапана в отопительной системе в целях уравновешивания перепадов температуры крайне выгодно не только в плане комфорта и удобства, но и в плане экономии средств.
Дело в том, что путем регулирования температуры жидкости на «обратке» отопительного прибора можно значительно снизить объемы потребляемого топлива, да и на эффективности самой системы это отразится позитивно. В некоторых системах клапан попросту необходим. Например, в системе «теплого пола» данное устройство предотвращает перегрев напольного покрытия выше заданного уровня комфортности, тем самым избавляя пользователей от неприятных ощущений.
Подобного рода регулирующие устройства также используются в системах водоподачи в целях получения перманентного потока с требуемой температурой. Простейшим примером является обыкновенный смеситель, при котором можно сделать воду горячее/прохладнее открытием/закрытием холодного крана.
Принцип работы трехходового крана esbe. Виды и отличия
Компания Есбе ведёт свою деятельность более ста лет и специализируется на средствах температурного контроля для гидравлических систем небольших строений.
Она производит клапан и поворотный сервопривод для систем охлаждения или нагрева, также работающих «в связке» с датчиками внутренней и наружной температуры в системе. Принцип работы трехходового клапана Esbe аналогичен приведённым выше вариантам.
Компания производит несколько модельных серий трёхходовых клапанов, включающих и смесительный вентиль:
- Ротационные клапаны (модели серий: VRG130, VRG330, 3F, H, VRH130, HG);
- Линейные клапаны (модели серий: VLF300, VLF200, VLE132);
- Термостатический смесительный вентиль (модели серий: VTA и VTS).
Ротационные клапаны
Клапаны серии VRG130 применяются для систем горячего/холодного водоснабжения. У данного модельного ряда, как и у последующих, есть различные варианты (к примеру — трехходовой клапан от Esbe VRG 131 тоже относится к данной серии и имеет подключение под сервопривод).
Они являются компактными смесительными моделями из сплавов латуни, спроектированные для минимизации утечек и с ручной шкалой регулировки. Инструкция указывает, что они также совместимы с системами автоматического управления и контроллерами Esbe, позволяющими автоматизировать работу клапанов.
Трехходовой клапан Есбе данной модельной серии – поставляется с типоразмерами DN 15-50, класс давления – PN 10, варианты моделей предусматривают разновидности с внутренней (трехходовой смесительный клапан типа Esbe модели VRG131 с подключением под привод), наружной резьбой
(модель VRG132), с накидной гайкой или компрессионными фитингами.
Трехходовой смесительный кран Esbe серии VRG330 обладает аналогичными качествами по отношению к ранее описанной серии VRG131 (DN 20-50, PN 10), но спроектирован специально для работы с большими потоками (разницей kvs между входами 60 процентов).
Также может быть оборудован совместимыми контроллерами и автоматическим управлением. Выпускается с тремя типами подсоединения: внутренняя резьба, наружная резьба, вращающаяся гайка.
Согласно спецификации компании Esbe, ротационные смесительные клапаны серии 3F предназначены для работы на системах отопления и охлаждения.
С ними также могут использоваться контроллеры Esbe и системы автоматического управления (трехходовой кран Esbe модели VRG131 с электроприводом сразу не поставляется, что позволяет выбрать наиболее удобный вариант продукции компании).
Для удобства монтирования, кран трехходовой Esbe 3F маркирован регулировочной шкалой с двух сторон. Корпус клапана выполнен из литого чугуна, также модель поставляется с переходником для фланцевой трубы PN 6, типоразмеры моделей — DN25-150.
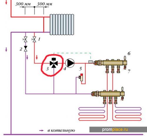
Принцип работы трехходового крана навьен. Назначение трехходового клапана для отопительного котла
Автономная система отопления представляет собой гораздо более сложный механизм, состоящий из большого количества взаимосвязанных узлов и агрегатов, которые выполняют соответствующие функции. Трехходовой клапан для котла в этом механизме играет роль смесителя, в котором происходит регулировка температуры теплоносителя.
Делается это для того, чтобы трубы равномерно прогревались и уровень отопления в каждой комнате был примерно одинаковым. Если не использовать деталь, то получится, что вода при прохождении через теплообменник будет нагреваться не одинаково, и в результате часть комнат получит меньше тепловой энергии, чем все остальные помещения.
Устройство клапана
Подобный агрегат устанавливается на все модели отопителей. Его конструкция является стандартизированной, так что отличаться могу только габаритные размеры. Так что трехходовой клапан для котла Аристон, Ардерия, Navien, бойлера и любой другой модели внешне будет выглядеть одинаково.

Что касается технических характеристик, то этот параметр необходимо уточнять в техпаспорте. Не стоит пытаться приделать к котлу запчасть, которая не подходит по размеру, так как нормально функционировать он все равно не будет, а вот беда в виде серьезной поломки вполне может проявиться из-за таких действий. И в итоге желание сэкономить приведет к дополнительным затратам.
Трехходовой клапан для твердотопливного и газового котла также ничем не отличается по устройству. Тип используемого для получения тепловой энергии топлива никак не влияет на особенности циркуляции теплоносителя. Дело в том, что клапан никак не контактирует с камерой сгорания, поэтому его не нужно подстраивать под тип системы отопления.
Что касается теплоносителя, то вы бытовых условиях в 100% случаев российские граждане используют обыкновенную воду. Это связано с ее доступностью и отсутствием каких-либо проблем с эксплуатацией. Нет смысла ничего изобретать, если отопление и так хорошо работает и имеет многолетний успешный опыт использования.
Изготавливаются данные детали из бронзы или нержавеющей стали. Полимерные аналоги пока еще мало распространены, хотя в дальнейшем можно прогнозировать увеличение их количества, если они хорошо проявят себя в эксплуатации.
Устройство трехходового клапана газового котла очень простое. Он имеет Т-образный вид с двумя входными и одним выходным отверстием. Внутри имеется специальная мембрана, которая регулируется поступающие из разных источников потоки таким образом, чтобы достигалась оптимальная температура.

Бывают автоматические и механические варианты.
- В автоматических движения мембраны происходят сами собой, в зависимости от температурных показателей теплоносителя.
- В механических агрегатах положение разделителя выставляется человеком вручную, так что нужно дополнительно устанавливать термометры на каждой входящей трубе, чтобы иметь возможность следить за температурным значением.
Так что принцип работы трехходового клапана котла основан на всем известных законах физики.
Виды клапанов
Итак, более подробно о двух существующих видах клапанов можно почитать ниже:
- 1. Трехходовой термостатический клапан для котла представляет собой автоматическую модель. Он будет поддерживать заданный уровень температуры без дополнительного вмешательства со стороны человека. При этом самые функциональные модели оснащаются дополнительной системой безопасности, которая перекрывает движение теплоносителя, если по одной из входящих труб отсутствует циркуляция. Таким образом, в батареях не произойдет вскипания.
- 2. Трехходовой термосмесительный клапан для котла может комплектоваться, как автоматическим, так и ручным управлением. Принципиальной разницей будет необходимость регулярной проверки состояния системы, чтобы не случилось ее перегрева. От механических устройств на сегодняшний день уже практически отказались, так как им на смену пришли более совершенные агрегаты.
Подключение и эксплуатация
Установка детали на отопитель не требует никаких специальных знаний. Понадобится лишь набор ключей, чтобы иметь возможность затянуть клапан, и паста-герметик, при помощи которой можно будет «запечатать» стыки.

Для чего нужен трехходовой кран между сосудом и манометром. В каких случаях используют такое устройство, как трехходовой кран для манометра

Согласно правилам СНиП в системе трубопровода перед манометром должен быть установлен трехходовой кран, позволяющий производить продувку, проверку или отключение манометра. Трехходовые краны для измерительных манометров мастера сантехники используют при монтаже трубопроводов пара, горячей и холодной воды.
Так же их используют на баллонах и трубопроводах с кислородом, азотом, природным газом, двуокисью углерода, маслами и другими нейтральными жидкостями и газами.
Задача манометров в такой конструкции – показывать давление в баллоне или трубопроводе. Вентиль, в свою очередь, должен обеспечивать безопасность и корректность работы манометра.
Для чего нужен манометрический кран
Установка трехходового манометрического клапана преследует следующие цели:
- Возможность проверить прибор, подключив к нему контрольный манометр;
- Возможность сбрасывать давление перед прибором, что защищает его от залипания стрелки;
- Возможность отключить манометр от системы;
- Возможность продувать манометрический отвод с целью удаления загрязнений, негативно влияющих на точность измерительного прибора.
В промышленных целях и на производствах, где необходим постоянный контроль давления на трубопроводах, установка такого прибора обязательна.
Пренебрежение данным правилом может стоить дорого, так как при неправильных показаниях измерительного прибора и отсутствия контроля давления, возможно повреждение трубопровода.
В домашних условиях вместо крана часто используют проходной муфтовый вентиль, так как давление в домашней системе гораздо ниже.
Режимы работы
В зависимости от положения запорного механизма, клапан для манометра может находится в следующих рабочих режимах:
- Направлять рабочую среду из магистрали в манометр;
- Направление на манометр перекрыто. Манометр пребывает без нагрузки, рабочая среда свободно проходит по трубопроводу;
- Производится сброс давления на измерительном устройстве при закрытом трубопроводе;
- При неправильном повороте запорного механизма, кран может соединить магистраль с атмосферой. Однако в этом случае для прохождения рабочей среды останется отверстие в 3 мм, что позволит избежать поломки манометра.
Виды кранов
Исходя из способов крепления и внутренней конструкции, выделяют три основных вида вентилей.
Пробковый натяжной кран

Свое название он получил от способа герметизации и вида запорного механизма.