Управление задвижкой с электроприводом. 3. Электрическая схема управления
- Управление задвижкой с электроприводом. 3. Электрическая схема управления
- Датчик уровня воды в резервуаре своими руками схема. Изготовление датчика уровня: пошаговая инструкция
- Управление задвижкой с электроприводом схема. Схема управления электрозадвижкой
- Открывание ворот с телефона. GSM модуль для управления автоматикой ворот и шлагбаумов
- Управление задвижкой с электроприводом по радиоканалу. Классификация задвижек с электроприводом.
- Управление котлом через телефон. Варианты контроля за котлом по смартфону
- Видео колонка управления задвижкой с электроприводом. Руководство по монтажу.
Управление задвижкой с электроприводом. 3. Электрическая схема управления
Процедуру подключения арматуры необходимо осуществлять, строго придерживаясь инструкции к изделию, ориентиром также должна служить схема трубопроводной магистрали. Для самого небольшого стандартного прибора максимальный момент составляет 60 Н-м, номинальный ток — 1,7 А. Гидравлические пневматические испытания изделия проводятся в составе трубопровода или системы. Схема автоматического режима Отличие автоматического режима управления электроприводом задвижки заключается в отсутствии какого-либо участия оператора. При подачи напряжения привод Belimo перемещается в одно из крайних положений и при этом взводится возвратная пружина.
При подачи напряжения привод Belimo перемещается в одно из крайних положений и при этом взводится возвратная пружина. Задвижки с электроприводом без специальной защиты не устанавливают во взрывоопасных трубопроводах, помещениях. Автоматизация электропривода задвижки может использоваться не только на крупных промышленных предприятиях и в городских сетях водоснабжения, но и в больших по площади домохозяйствах.
Задвижки с электроприводом без специальной защиты не устанавливают во взрывоопасных трубопроводах, помещениях. Автоматизация электропривода задвижки может использоваться не только на крупных промышленных предприятиях и в городских сетях водоснабжения, но и в больших по площади домохозяйствах.
Сигналом для перемещения заглушки может быть состояние насосов, вентиляторов. То есть в кабеле должно быть не меньше семи жил.
Их используют: в местах, где доступ для ручной регулировки затруднён; на трубопроводах, находящихся в местах, представляющих опасность для здоровья человека; на участках, нуждающихся в автоматическом регулировании. Цепь катушки КМ2 магнитного пускателя разрывается, и электропривод останавливается.
Цепь катушки КМ2 магнитного пускателя разрывается, и электропривод останавливается. В процессе работы электродвигателя перекрывающий ток жидкости затвор вместе с винтом опускается либо поднимается, осуществляя закрытие или открытие задвижки.
В процессе работы электродвигателя перекрывающий ток жидкости затвор вместе с винтом опускается либо поднимается, осуществляя закрытие или открытие задвижки.
Датчик уровня воды в резервуаре своими руками схема. Изготовление датчика уровня: пошаговая инструкция
Сборку своими руками индикатора уровня воды в баке на светодиодах я осуществлял в такой последовательности:
- На пластиковый хомут с помощью термопистолета я закрепил трехконтактные герконы. У меня расстояние между элементами получилось около 4 см.
Источник freeseller.ru
- Осуществил пайку проводов согласно схеме. После того как контакты остыли, для защиты от влаги места соединения проводов были обработаны силиконом.
- Затем хомут одел на муфту пластиковой трубы таким образом, чтобы верхняя часть легко перемещалась относительно неподвижной трубы.
- В качестве поплавка я решил использовать вторую муфту, в которую с обеих сторон были вставлены пластиковые заглушки.
Источник otlad.ru
- На следующем этапе я с помощью строительного фена прогрел пластиковый профиль и обернул его вокруг поплавка. Свободный конец этого элемента был закреплен с рычагом посредством пластиковых заклепок.
- Аналогичным образом рычаг из пластикового профиля прикрепил к муфте.
Источник otlad.ru
- Затем на рычаге был закреплен неодимовый магнит. Для надежного монтажа этого элемента следует использовать детали, которые имеют в своей конструкции отверстие. Я применял изделие от старого компьютерного жесткого диска, но можно использовать покупные изделия, которые уже выпускаются с монтажными отверстиями. Широкие магниты должны быть в приоритете, ведь таким образом можно будет обеспечить плавный включение режимов работы датчика.
- Далее я решил проверить работоспособность индикаторной системы. Подключив разъем к проводам, которые были соединены с источником тока и светодиодами и перемещая рычаг вверх и вниз я убедился в последовательном включении светодиодов.
Датчик уровня воды для бочки своими руками был установлен на сливную трубу септика, после чего, также было осуществлено подключение контактных проводов и элемента питания.
Управление задвижкой с электроприводом схема. Схема управления электрозадвижкой
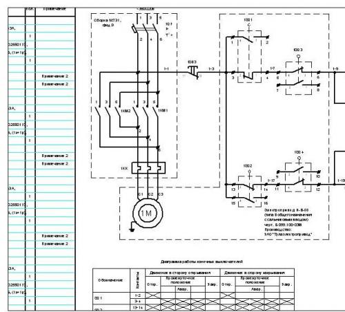
Здесь представлены наиболее простые схемы управления электрозадвижками, применяемые в КИП и А на основе концевых (путевых) выключателей. Так как схемы работают под напряжением 220 ⁄ 380 Вольт, опробование и наладка должна производиться квалифицированным персоналом с соответствующей группой допуска по электробезопасности.
Схема управления электрозадвижкой в простейшем случае представляет собой блок концевых (путевых) выключателей, связанных с кнопками управления и электормагнитными реле (пускателями). В большинстве случаев содержит блокировочный выключатель ручного упрвления ( ).
Может содержать токовое реле выключения (мгновенное выключение при превышении уставки тока) и телеметрический указатель положения задвижки. В данной статье не рассматриваются.
Общими элементами являются:
Рис. 1. Схема управления электрозадвижкой с четырьмя концевыми выключателями
Когда электрозадвижка находится в среднем положении, в выключенном ручном режиме, то фаза «C» проходит через контакты стоповой кнопки SB3, замкнутый контакт КБР (S1) и конечные выключатели S2 и S3 на контакты кнопок SB1 и SB2 (соответственно: открыть, закрыть).
Аналогичным образом осуществляется и механизм закрытия задвижки. Если она находится в среднем или открытом положении, в выключенном ручном режиме, то фаза «C» проходит через контакты стоповой кнопки SB3, замкнутый контакт КБР (S1) и конечный замкнутый выключатель S3 на кнопку SB2 «Закрыть». При ее нажатии срабатывает и самоподхватывается через контакты K2.1 реле K2, напряжение через его силовые контакты подается на двигатель M1 (с обратным включением фаз «B» и «C») и задвижка начинает закрываться до тех пор, пока не будет нажата кнопка SB3 «Стоп» или не разомкнется концевой выключатель S3, настроенный на размыкание при достижении задвижкой закрытого состояния. Также загорается лампа E2, показывающая, что задвижка закрыта. Для этого должен быть правильно выставлен толкатель кулачкового механизма, отвечающий за замыкание контакта выключателя S4.
Нормальнозамкнутые контакты реле K1.2 и K2.2 размыкаются разнонаправленно при срабатывании соответсвующего реле, тем самым предотвращая одновременное включение обоих реле, что привело бы к межфазному замыканию.
Конечник S1 ( ), включен непосредственно в цепь блока контаков путевых выключателей S2-S5, что позволяеят выполнить монтаж цепей управления задвижки от щита управления 5-жильным кабелем.
Рис. 2. Схема управления электрозадвижкой с двумя концевыми выключателями
Аналогичен предыдущей схеме, за исключением, того что контакты S1 вынесены за пределы блока концевых выключателей, т.е. фаза «C» подается непосредственно на контакты S2 и S3. Это позволяет обойтись двумя концевыми выключателями, используя их нормальноразомкнутые контакты для включения лампочек положения задвижки. Это очень удобно, так как лампочки загораются только в тот момент, когда действительно сработал тот или иной конечный выключатель.
Как уже было сказано выше, лампочки индикации задвижки загораются только в тот момент, когда действительно сработал тот или иной конечный выключатель.
Если требуется подключить S1 ( ), то при монтаже блока концевых выключателей на задвижке в кабеле потребуется две дополнительных жилы. То есть в кабеле должно быть не меньше семи жил.
Открывание ворот с телефона. GSM модуль для управления автоматикой ворот и шлагбаумов
Практически любым оборудованием, оснащенным электроприводами, можно управлять дистанционно. Сделать это позволяет gsm-модуль для управления автоматикой ворот и шлагбаумов. Современные технические возможности и повсеместное развитие мобильной связи послужили возможностью использования управляющих модулей, причем даже без увеличения расходов на эту связь.

Модуль покупается отдельно и используется вместе с приводом ворот или шлагбаумов. Электроника устройства надежно защищена от возможных внешних воздействий, так как она может использоваться в корпусе воротных конструкций или шлагбаумов или монтироваться в других местах. В комплектации устройства присутствует непосредственно модуль, кабель для usb-соединения с компьютерным оборудованием, профессиональное программное обеспечение.
Допускается эксплуатация при температурах от -20 до +40 градусов (но диапазон может варьироваться в зависимости от индивидуальных технических характеристик модели).
Описание принципов работы gsm-модулей
Конструктивно управляющий модуль выглядит как приемник, которые принимает и передает сигналы в диапазоне GSM. Для его корректной работы необходима сим-карта мобильного оператора, а в память заносятся номера тех абонентов, у которых есть право доступа на огражденную территорию. Стандартные модели позволяют внести в память 500 пользователей, что является вполне достаточным количеством даже для крупных предприятий с высокой проходимостью.

Перейти в категорию товаров
Когда на пульт управления совершается клиентом звонок, система автоматически проверяет его наличие в памяти. В этом случае мобильное соединение не устанавливается, что дает возможность абонентам не увеличивать свои расходы на связь. Если проверяемый номер обнаружен системой в базе данных, то она отправляет соответствующий сигнал на привод ворот или шлагбаума. В результате этого конструкция открывает проезд для проверенного пользователя. Закрытие происходит автоматически: в системе устанавливается определенный период, отведенный пользователю для проезда, после чего срабатывает автоматика.
Если номер проверяемого абонента в списке не будет найден, значит, ворота и шлагбаум не откроются. Звонок будет сброшен, и система никоим образом не реагирует.
Особых сложностей при выборе и покупке GSM-модулей не возникает, так как практически все они максимально точно адаптированы для установки на любые конструкции. При этом ворота или же шлагбаум можно открыть с любого расстояния, на которое распространяется GSM-сигнал.

Преимущества использования - модулей
Установка данных устройств дает возможность отказаться от персональных карточек, чипов, брелоков, пультов. Кроме того, использование gsm-модулей существенно упрощает выполнение функций охраны: пропуск на огражденную местность можно предоставить, даже находясь на определенном расстоянии.
Устройство легко настраивается, благодаря чему отличается высокой функциональностью и простотой в использовании. Номера можно удалять из памяти или добавлять в пределах допустимого количества. Некоторые современные производители также предлагают модули с возможностью настройки и ограничения доступа по определенным часам, дням, а также в случае неуплаты суммы аренды места на стоянке, а так же в других случаях.
Оснащение конструкций ворот и шлагбаумов современными gsm-модулями позволяет осуществлять ведение журналов посещений и выездов с территории. При достаточно большом потоке автомобильного транспорта такое управление гораздо удобнее и функциональнее.

Что касается финансовой экономии, что стоимость одного gsm-контроллера примерно сопоставима со стоимостью трех дистанционных пультов управления. Если системой пользуется большое количество абонентов, то автоматизация за счет модулей гораздо выгоднее и экономически обоснована. Для управления модулем можно использовать сим-карту мобильного оператора, настраиваемую только на прием входящих вызовов. Это избавит отнеобходимости вносить регулярную абонентскую оплату за пользование связью.
Управление задвижкой с электроприводом по радиоканалу. Классификация задвижек с электроприводом.
С распространением использования запорной арматуры в начале 19 века была разработана и принята таблица фигур запорной арматуры. В ней были установлены ряд правил для более легкого и удобного чтения и обозначение различных исполнений запорной арматуры. Так как задвижка — это только один из видов запорной арматуры имеет смысл указать как будет выглядеть маркировка задвижек с электроприводом, на примере 30с941нж.

Рис. 5: Задвижка 30с941нж
*
«30» – обозначает непосредственно тип арматуры, а именно задвижки.
«9» – тип используемого привода, в данном случае электромоторный.
«41» – обозначает номер изделия на заводе-изготовителе.
«нж» – материал уплотнителя, нержавеющая сталь.
Остальные типы маркировки указаны на рис. 6.
Рис. 6: Таблица фигур запорной арматуры
Другим важным параметром при выборе задвижки является DN (или ДУ). DN принятый современный стандарт обозначения условного прохода. ДУ (диаметр условный) устаревшее название, постепенно выходящее из оборота. Условный проход обозначает внутренний диаметр трубы, выраженный в миллиметрах. Например, DN50 (или ДУ50) обозначает трубу с внутренним диаметром в 50 мм. Условным размер называют не случайно, т.к. при изготовлении труб выдержать точные размеры внутреннего диаметра не имеет экономического смысла, поэтому он может в небольших пределах варьироваться, однако считать этот размер точным нельзя.
Не менее важным является параметр PN (или РУ) обозначающий предел давления, при котором обеспечена нормальное функционирование устройства. Например, PN15 означает, что данное изделие гарантирует функционирование при давлении в системе в 15 Бар.
Соответственно в зависимости от исполнения задвижки и диаметра трубы на котором она будет использоваться осуществляется подбор типа электропривода к данной задвижке. Разница в использовании электропривода на трубу с ДУ50 и ДУ600 очевидна, поэтому на один и тот же тип задвижки может выбираться разный электропривод.
Из отечественных изготовителей приводов самыми распространенными являются изделия заводов ОАО «ЗЭиМ» и ОАО «Тулаэлектропривод». Наибольшее распространения получили двигатели серии ПЭМ-А11 использующиеся на самые распространенные размеры труб от ДУ50 до ДУ150.
Управление котлом через телефон. Варианты контроля за котлом по смартфону
Для дистанционного управления бытовым газовым котлом доступны три решения:
- подключение GSM модуля;
- использование «умного термостата» посредством связи по WI-FI;
- установка терморегуляторов.
Каждый способ удаленного управления хорош по-своему, а выбор его зависит от нескольких факторов: наличия интернета, модели газового котла, финансовых возможностей.
Рассмотрим все три варианта – один из них может вам подойти, и в результате частичного апгрейда управление отопительной системой станет намного легче.
Это самое распространенное решение, применимое даже в районах, не охваченных сетью Интернет.
Управление газовым котлом через смартфон: как правильно организовать дистанционный контроль
Газовый котел управляется с помощью блока GSM – компактного модуль–контроллера. В него вставляют SIM-карту, которая персонализирует владельца и дает возможность держать связь с удаленным оборудованием
В целях экономии домовладелец может выбрать наиболее подходящего сотового оператора и выгодный тариф.
GSM-модуль программируется и по принципу работы напоминает компьютер с ограниченными функциями. Этот блок соединен с датчиками, установленными как в оборудовании, так и в окружающей среде – в комнатах, на улице. В зависимости от параметров, выдаваемых датчиками, газовый агрегат в автоматическом режиме меняет программу или управляется со смартфона.
Управление газовым котлом через смартфон: как правильно организовать дистанционный контроль
Для связи с блоком управления, установленном в доме, потребуется любой электронный девайс – ноутбук, планшет, но удобнее всего пользоваться смартфоном, более компактным и универсальным
Для удобства управления, выбора режимов и программ разработчики создали приложения для различных операционных систем: iOS, Android, Windows Phone.
Существует несколько режимов, с помощью которых производится управление газовым котлом:
- Полностью автоматический контроль. Агрегат действует согласно заданным параметрам, введенным в программу заранее. Если требуются изменения, программу следует откорректировать.
- Передача тревожных оповещений при наступлении аварийных или ремонтных ситуаций. Если произошла утечка газа или котел внезапно прекратил работу, на смартфон подается сигнал.
- «Общение» с помощью SMS-посланий. Существует перечень команд, которые распознает автоматика газового котла, а затем вносит изменения в работу оборудования.
- Расширенные возможности управления. С помощью специальной программы можно контролировать все системы, подключенные к блоку GSM.
Преимуществом удаленного управления по мобильной связи считается практически постоянный контроль и неограниченные возможности, зависящие только от выбранного приложения и установленного оборудования.
Еще несколько плюсов использования GSM-модуля:
Для связи с блоком управления, установленном в доме, потребуется любой электронный девайс – ноутбук, планшет, но удобнее всего пользоваться смартфоном, более компактным и универсальным
Для удобства управления, выбора режимов и программ разработчики создали приложения для различных операционных систем: iOS, Android, Windows Phone.
Существует несколько режимов, с помощью которых производится управление газовым котлом:
- Полностью автоматический контроль. Агрегат действует согласно заданным параметрам, введенным в программу заранее. Если требуются изменения, программу следует откорректировать.